EasyManua.ls Logo

Carrier 38MVQ - Wiring Diagrams (Continued); 38 MVQ018-3; 40 MVQ018-3 Wiring Diagram

Carrier 38MVQ
34 pages
To Next Page IconTo Next Page
To Next Page IconTo Next Page
To Previous Page IconTo Previous Page
To Previous Page IconTo Previous Page
Loading...
31
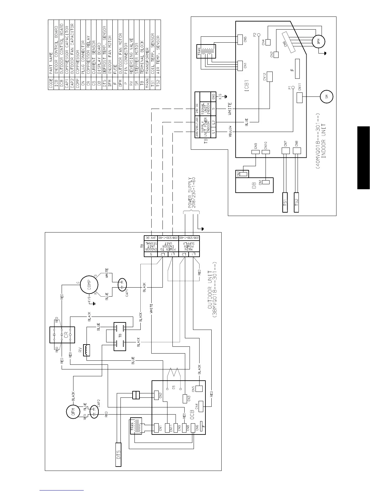
WIRING DIAGRAMS (CONT.)
Fig. 13 Wiring Diagram 38MVQ018------3 W/ 40MVQ018------3
38/40MVC, MVQ

Other manuals for Carrier 38MVQ

Related product manuals