EasyManua.ls Logo

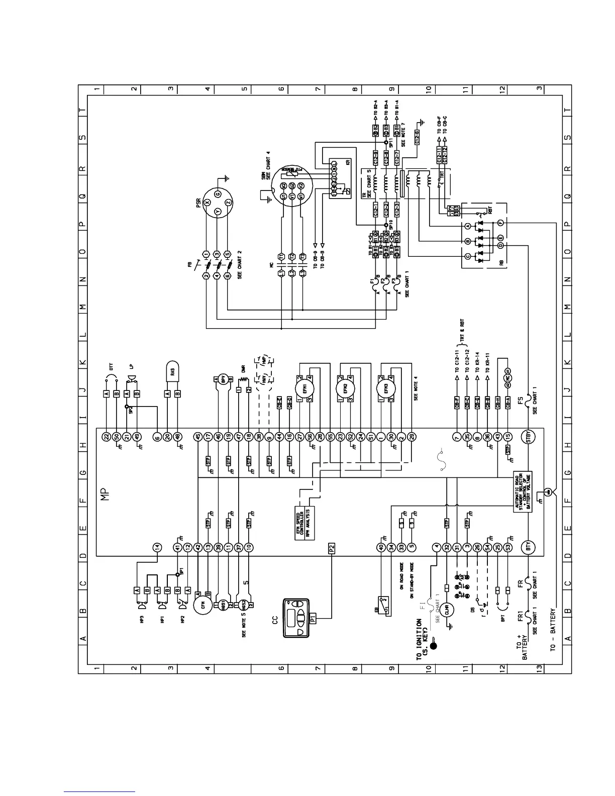
Carrier 40 - Figure 5-2 Schematic Diagram - Three Phase Stand by Units

Carrier 40
49 pages
Print Icon
To Next Page IconTo Next Page
To Next Page IconTo Next Page
To Previous Page IconTo Previous Page
To Previous Page IconTo Previous Page
Loading...
5-5 62-10630
Micro Fuse
1A
Figure 5-2. Schematic Diagram -- Three Phase Stand By Units
(Page2of2)

Table of Contents

Related product manuals