EasyManua.ls Logo

Carrier 48XT-A - To Use Cooling Charging Charts; Non- -Communicating Emergency Cooling;Heating Mode

Carrier 48XT-A
38 pages
To Next Page IconTo Next Page
To Next Page IconTo Next Page
To Previous Page IconTo Previous Page
To Previous Page IconTo Previous Page
Loading...
28
line and insulate it so that the outdoor ambient does not affect the
reading. Indoor air CFM must be within the normal operating
range of the unit.
TO USE COOLING CHARGING CHARTS
Take the liquid line temperature and read the manifold pressure
gauges.
Refer to the chart to determine what the liquid line temperature
should be.
NOTE: If the problem causing the inaccurate readings is a
refrigerant leak, refer to Check for Refrigerant Leaks section.
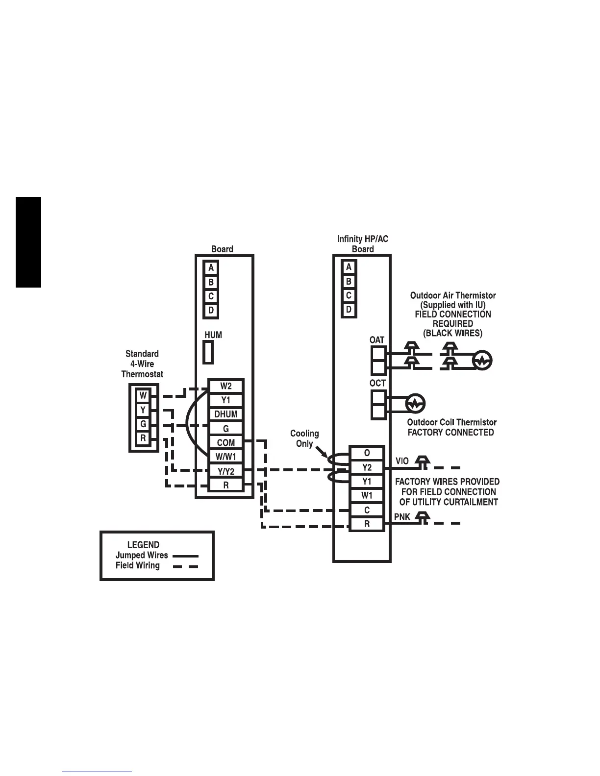
NON-- COMMUNICATING EMERGENCY COOLING /
HEATING MODE: 4--WIRE THERMOSTAT
This mode of operation is provided only in the case where the UI
has failed or is otherwise unavailable. If communications cannot be
established with the UI, the Infinity furnace board will enable the
standard thermostat input terminals to allow simple thermostatic
control of the 48XT--A unit.
For control with a standard thermostat, disconnect the ABCD
connectors from both control boards and using No. 18 AWG
color--coded, insulated type 90°C minimum or equivalent wire,
make the connections between the standard thermostat, the furnace
board, and the HP/AC board per Fig. 23. Recommend the use of
interconnecting wire with 105C, 600V, 2/64” insulation.
The Infinity control will respond to cooling and heating demands
with the maximum safe airflow based on gas furnace output and
unit cooling capacity .
Infinity Furnace
A06303
Fig. 23 -- Non--Communica ting Emergency Cooling/Heating Wiring Connections
48XT-- A

Table of Contents

Other manuals for Carrier 48XT-A

Related product manuals