EasyManua.ls Logo

Carrier 60 - Page 8

Carrier 60
44 pages
Print Icon
To Next Page IconTo Next Page
To Next Page IconTo Next Page
To Previous Page IconTo Previous Page
To Previous Page IconTo Previous Page
Loading...
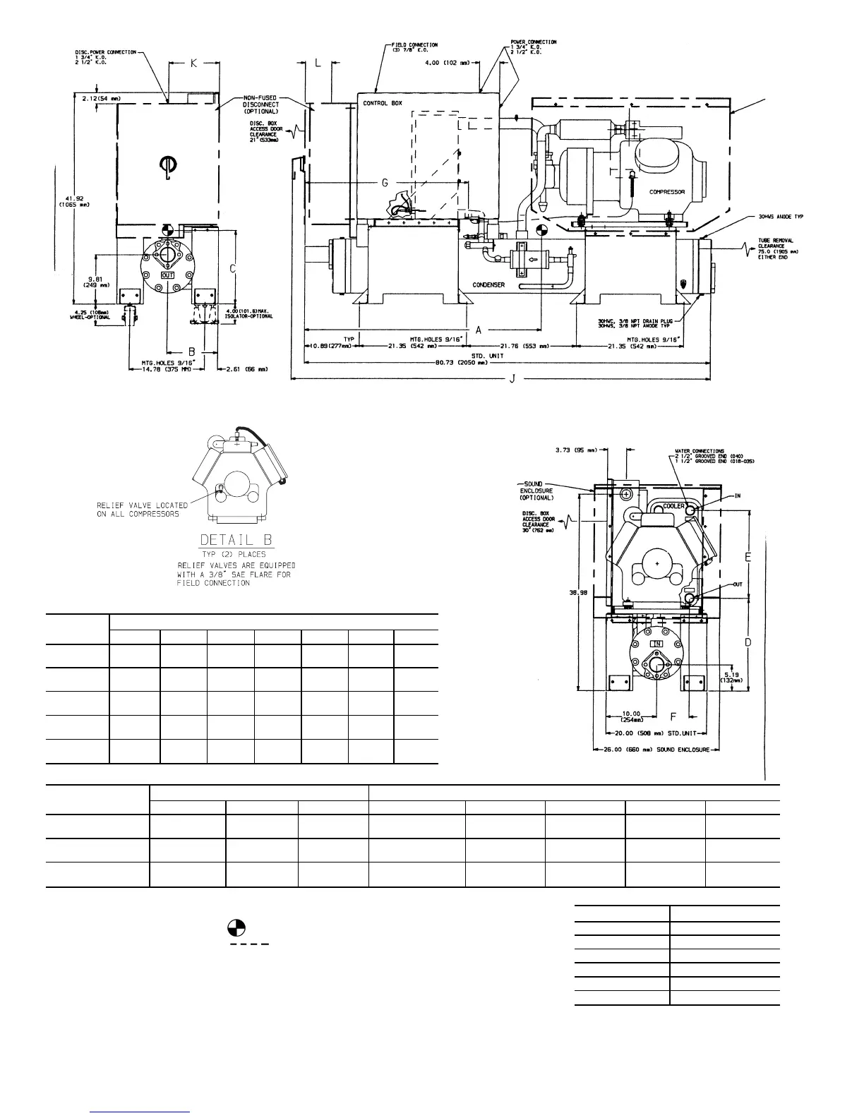
UNIT
30HWC,S
DIMENSIONS in. (mm)
A BCDEFG
018
47.50
(1206)
9.90
(251)
14.00
(356)
18.15
(461)
17.95
(456)
6.69
(170)
34.20
(869)
025
48.30
(1227)
9.90
(251)
15.50
(394)
18.15
(461)
17.95
(456)
6.69
(170)
34.20
(869)
028
48.00
(1219)
10.00
(254)
15.80
(401)
18.15
(461)
17.95
(456)
6.69
(170)
34.20
(869)
035
48.20
(1224)
10.00
(254)
15.90
(404)
18.15
(461)
17.95
(456)
6.69
(170)
34.20
(869)
040
47.80
(1214)
10.00
(254)
15.90
(404)
18.45
(469)
17.36
(441)
6.40
(163)
32.94
(837)
DISCONNECT
(Amps)
LOCATION in. (mm) MODEL 30HWC,S (See Table Below)
J K L 018--- 025--- 028--- 035--- 040---
80
77.61
(1971)
4.38
(111)
3.33
(85)
100,200,
600,800,900
100,200,
600,900
100,200,
600,900
100,200,
600,900
100
100
79.61
(2022)
5.00
(127)
4.33
(110)
500 500,800 500,800 800
200,
600,900
200
83.74
(2127)
10.00
(254)
7.46
(189)
500 500,800
LEGEND
D. Diameter
Disc. Disconnect
K.O. Knockout
SCH.40 Schedule 40 Pipe
NOTES:
1. Denotes center of gravity.
2. Denotes accessory or factory-installed option.
3. Dimensions are in inches. Dimensions in ( ) are in millimeters.
MODEL VOLT-Hz
100 575-60
200 380-60
500 208/230-60
600 460-60
800 230-50
900 400-50
Fig. 8 30HWC,S018-040 (Fluid Cooled)
LEFT SIDE VIEW FRONT VIEW
RIGHT SIDE VIEW
8

Table of Contents

Related product manuals