EasyManua.ls Logo

Carrier MINIMUM LOAD CONTROL ACCESSORY 30RB060-390 - Page 6

Carrier MINIMUM LOAD CONTROL ACCESSORY 30RB060-390
8 pages
Print Icon
To Next Page IconTo Next Page
To Next Page IconTo Next Page
To Previous Page IconTo Previous Page
To Previous Page IconTo Previous Page
Loading...
6
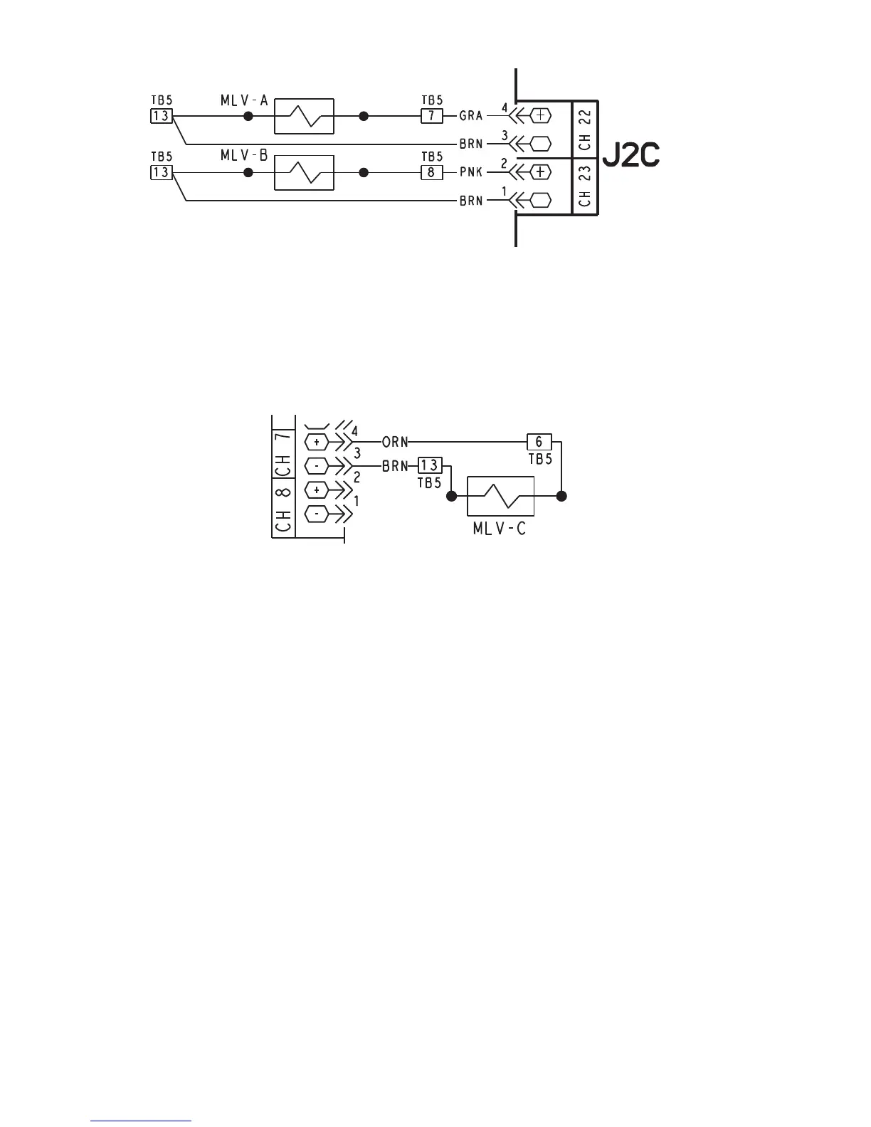
Fig. 6 — Main Base Board Wiring for
Circuits A and B, 30RB060-300
Fig. 7 — Fan Board 3 Wiring for Circuit C, 30RB210-300
LEGEND
MLV Minimum Load Valve
TB Terminal Block
LEGEND
MLV Minimum Load Valve
TB Terminal Block

Related product manuals