EasyManua.ls Logo

Carrier P - Wiring Diagrams

Carrier P
40 pages
Print Icon
To Next Page IconTo Next Page
To Next Page IconTo Next Page
To Previous Page IconTo Previous Page
To Previous Page IconTo Previous Page
Loading...
31
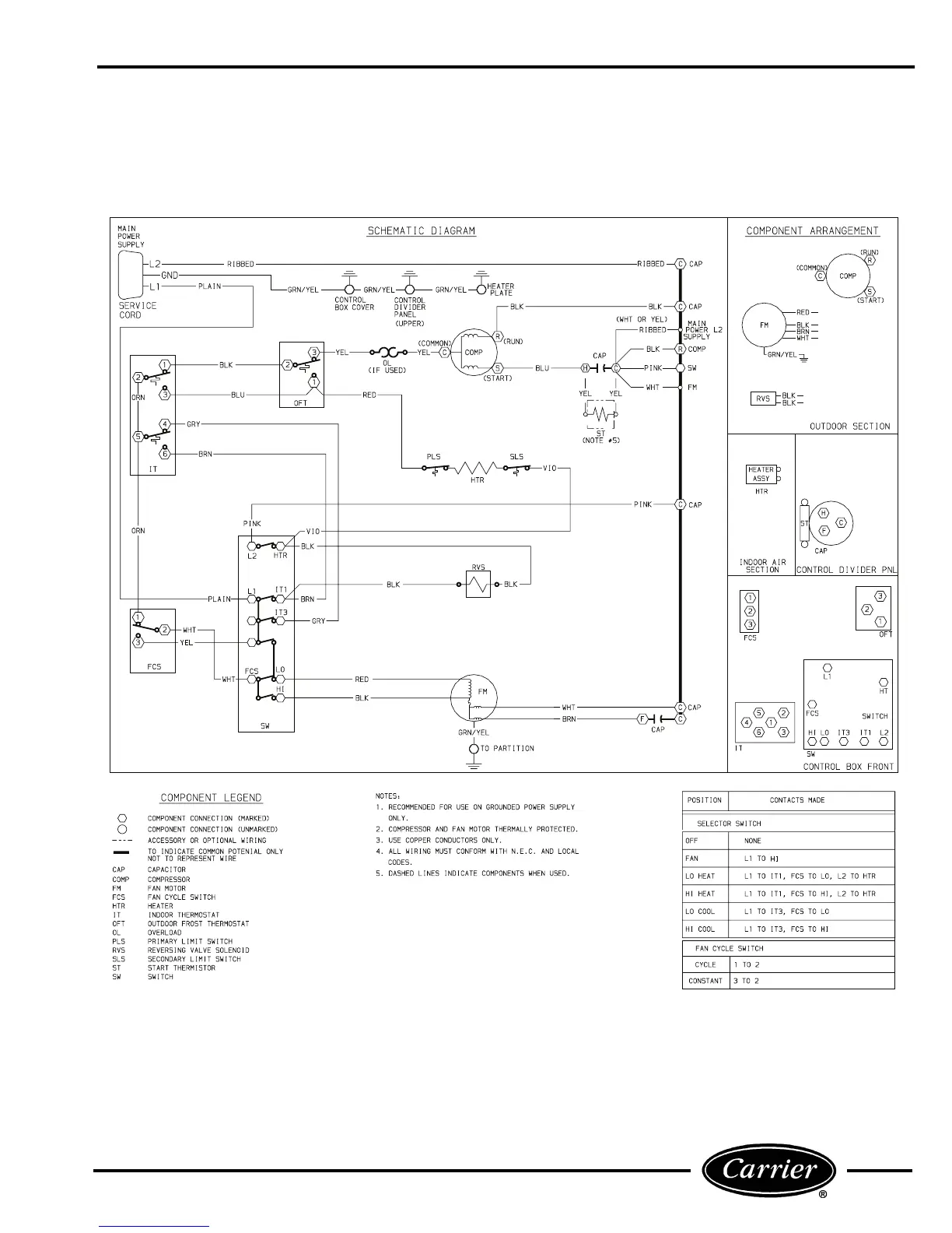
FIGURE 57 — 52CQ — TYPICAL WIRING SCHEMATIC FOR STANDARD HEAT PUMP UNITS
WIRING DIAGRAMS
Refer to Figures 57-61 for Typical Wiring Schematics.
NOTE: Figures 57-61 should not be substituted for the schematic located on control box.

Related product manuals