EasyManua.ls Logo

Carrier P - Page 32

Carrier P
40 pages
Print Icon
To Next Page IconTo Next Page
To Next Page IconTo Next Page
To Previous Page IconTo Previous Page
To Previous Page IconTo Previous Page
Loading...
52C,P
SERIES
32
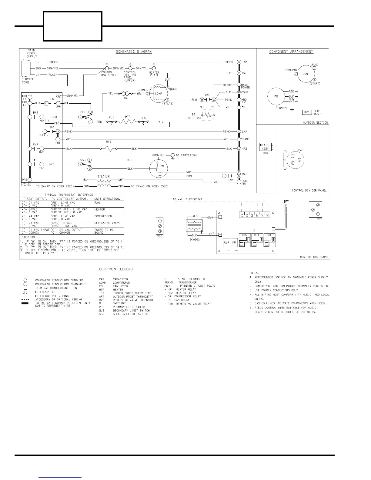
FIGURE 58 — 52CQ — TYPICAL WIRING SCHEMATIC FOR
WALL THERMOSTAT CONTROL HEAT PUMP UNITS

Related product manuals