EasyManua.ls Logo

Carrier P - Page 33

Carrier P
40 pages
Print Icon
To Next Page IconTo Next Page
To Next Page IconTo Next Page
To Previous Page IconTo Previous Page
To Previous Page IconTo Previous Page
Loading...
33
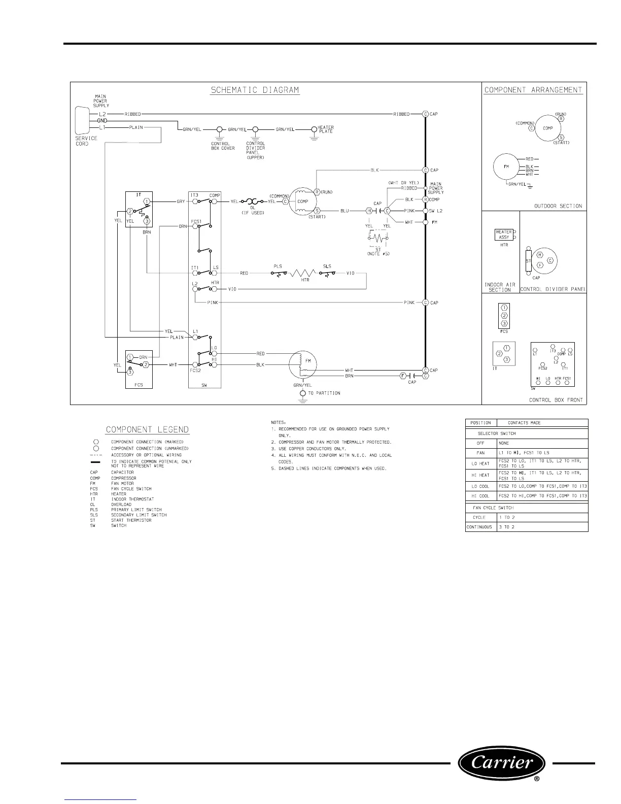
FIGURE 59 — 52CE — TYPICAL WIRING SCHEMATIC FOR STANDARD HEAT/COOL UNITS

Related product manuals