EasyManua.ls Logo

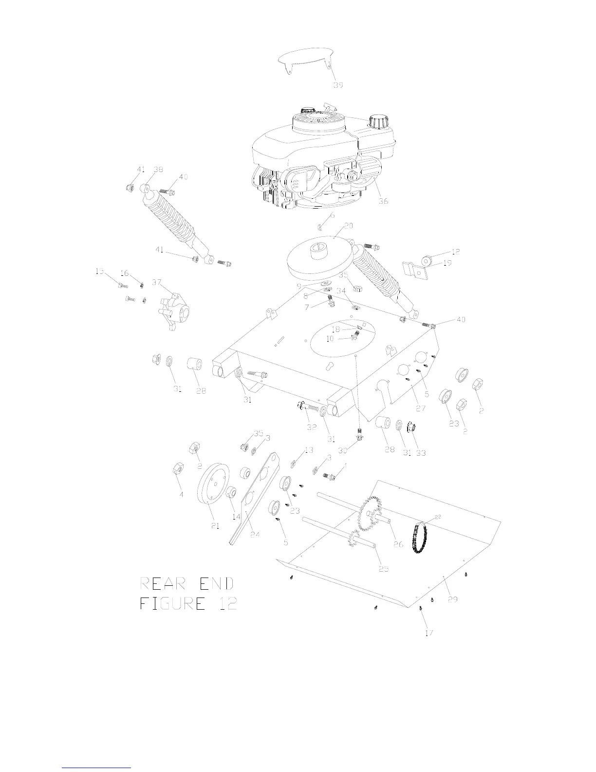
Carter 2503 - Rear End Parts

Carter 2503
35 pages
Print Icon
To Next Page IconTo Next Page
To Next Page IconTo Next Page
To Previous Page IconTo Previous Page
To Previous Page IconTo Previous Page
Loading...
30