EasyManua.ls Logo

Carter CT10 - Page 13

Default Icon
46 pages
Print Icon
To Next Page IconTo Next Page
To Next Page IconTo Next Page
To Previous Page IconTo Previous Page
To Previous Page IconTo Previous Page
Loading...
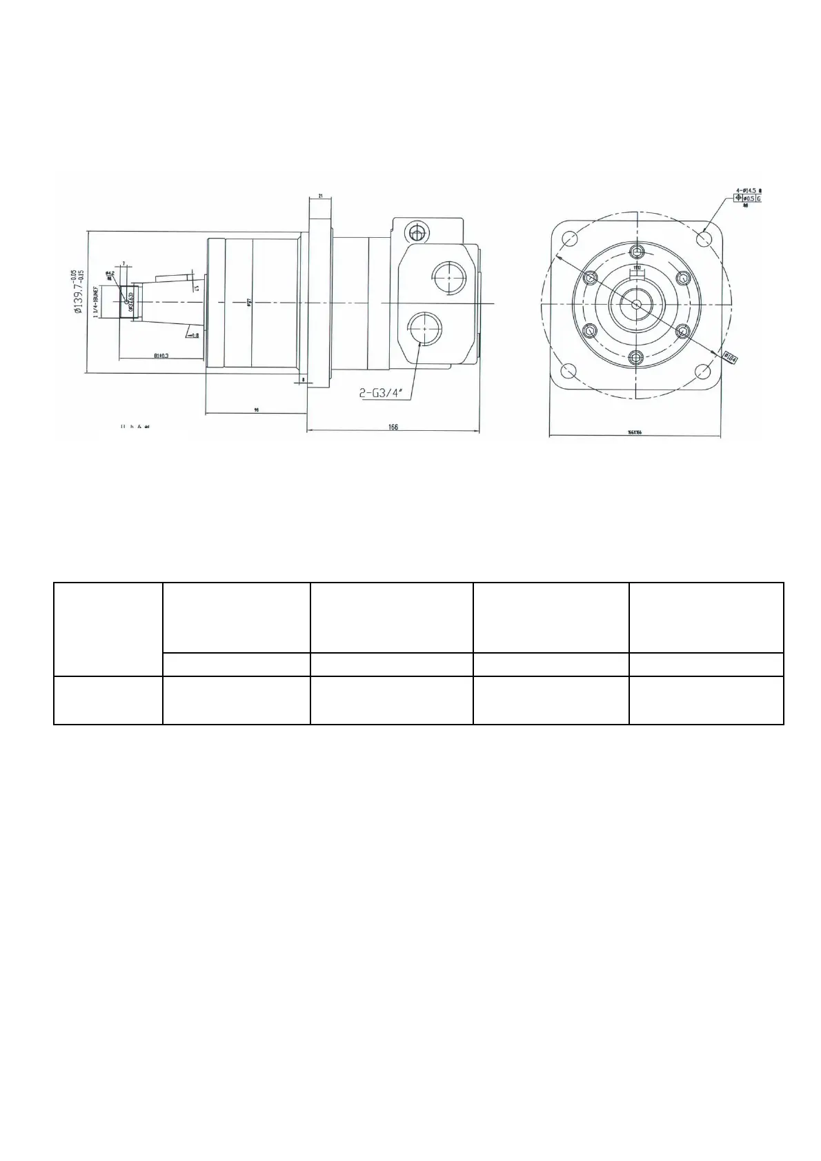
.Traveling motor
Disc Valve Motors---6000 series -005 and -006
Drive, Main
Geroler
Screw, Cap
Screw, Cap
Displacement
Item No.5--Part No
Item No.6--Part No
Item No.6--Part No
Item No.6--Part No
Cm
3
/r(in
3
/r)
/Length
/Width
/Length
/Length
Part No
mm(inch)
Part No
mm(inch)
Part No
mm(inch)
Part No
mm(inch)
310(19.0)
21373-003
118.1(4.65)
8507-003
34.6(1.36)
14409-003
138.4(5.45)
14409-007
172.4(6.79)
13

Related product manuals