EasyManua.ls Logo

Carter CT10 - Section IV Schematics of Main Valve

Default Icon
46 pages
Print Icon
To Next Page IconTo Next Page
To Next Page IconTo Next Page
To Previous Page IconTo Previous Page
To Previous Page IconTo Previous Page
Loading...
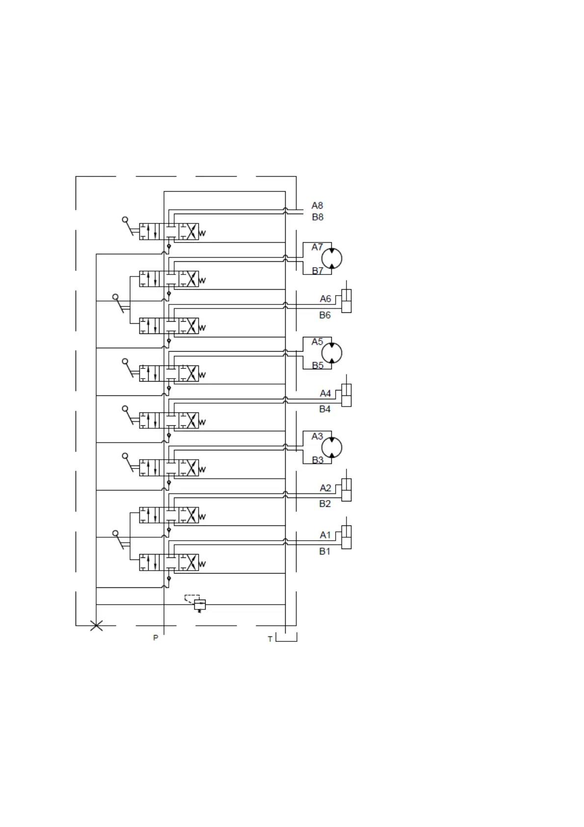
Section IV Schematics of main valve
Reserved
rotating
Arm
Traveling
Front shovel
Traveling
Boom
Bucket
15

Related product manuals