EasyManua.ls Logo

Carter CT10 - Section V. Electrical System Diagram

Default Icon
46 pages
Print Icon
To Next Page IconTo Next Page
To Next Page IconTo Next Page
To Previous Page IconTo Previous Page
To Previous Page IconTo Previous Page
Loading...
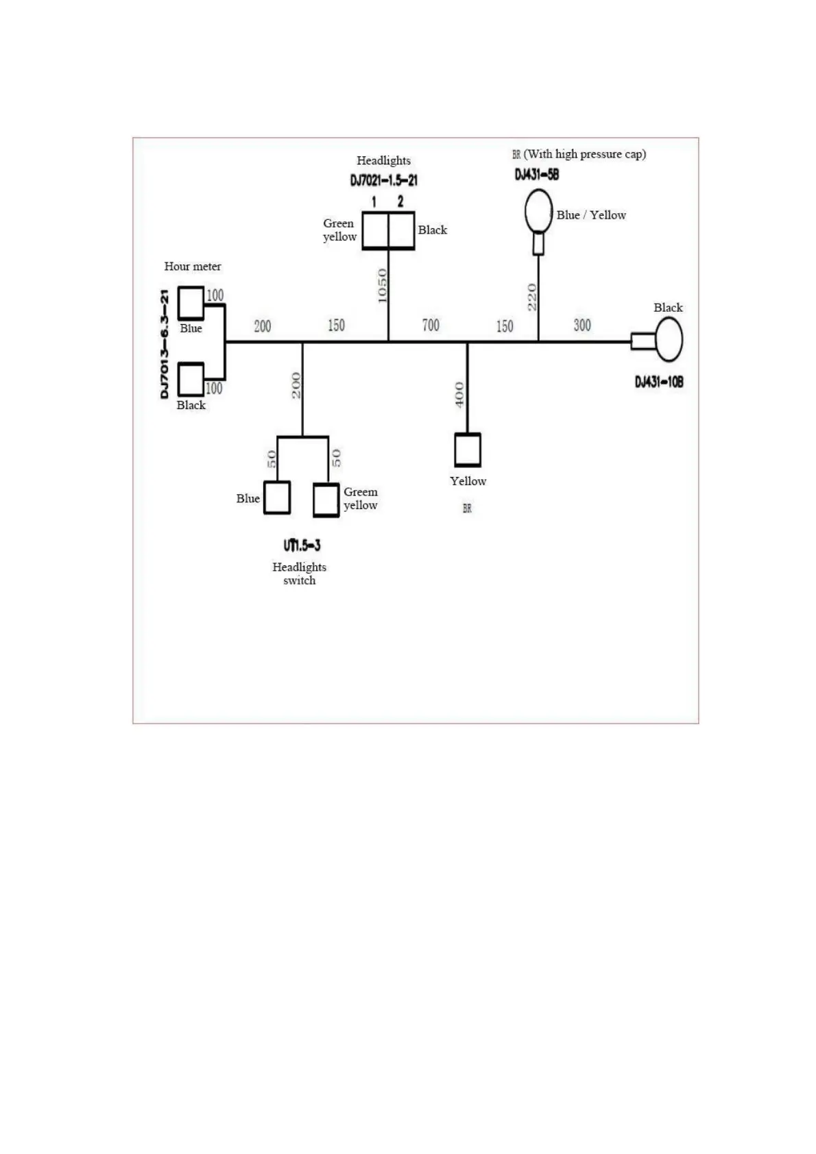
Section V. Electrical system diagram
16

Related product manuals