EasyManua.ls Logo

Case 580SR - Page 192

Case 580SR
1068 pages
Print Icon
To Next Page IconTo Next Page
To Next Page IconTo Next Page
To Previous Page IconTo Previous Page
To Previous Page IconTo Previous Page
Loading...
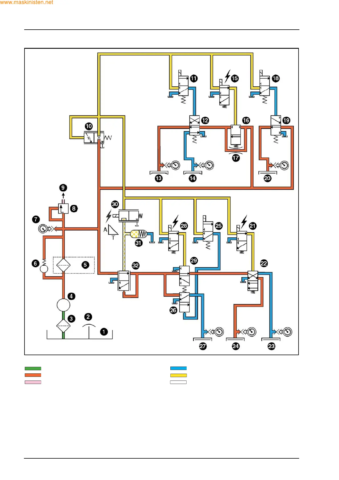
126 SECTION 21 - TRANSMISSION
Suction oil
High pressure oil
Torque Converter and Lubrication Oil
Return to oil tank
Pilot pressure
Modulated pilot oil
F29992
www.maskinisten.net
Copyright ©

Table of Contents

Other manuals for Case 580SR

Related product manuals