EasyManua.ls Logo

Case 580SR - Hydraulic Diagram - 4 Ws Sideshift Mechanical Models

Case 580SR
1068 pages
Print Icon
To Next Page IconTo Next Page
To Next Page IconTo Next Page
To Previous Page IconTo Previous Page
To Previous Page IconTo Previous Page
Loading...
SECTION 35 - HYDRAULIC SYSTEM 7
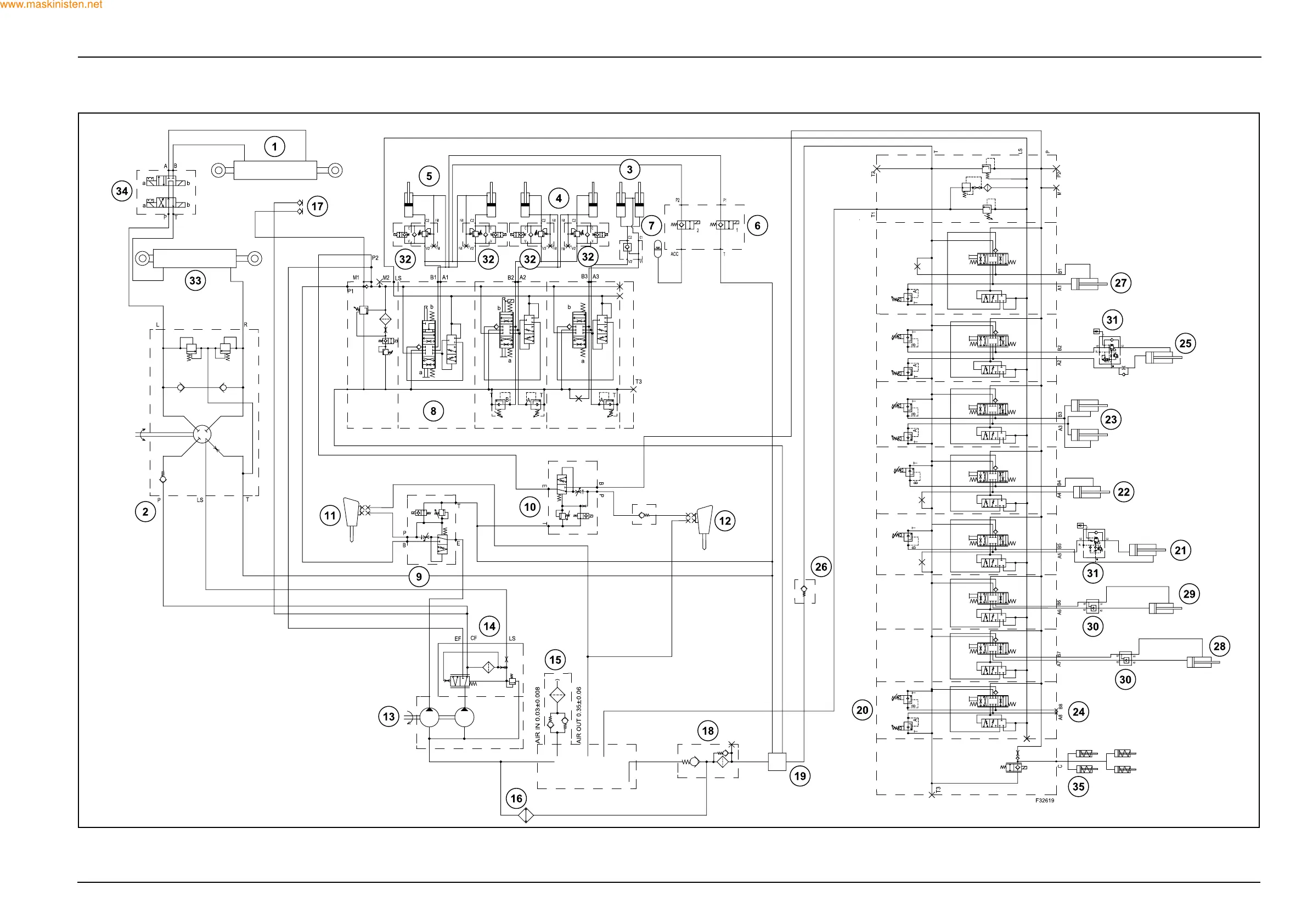
1.3 HYDRAULIC DIAGRAM - 4WS SIDESHIFT MECHANICAL MODELS
www.maskinisten.net
Copyright ©

Table of Contents

Other manuals for Case 580SR

Related product manuals