EasyManua.ls Logo

Case 580SR - Page 79

Case 580SR
1068 pages
Print Icon
To Next Page IconTo Next Page
To Next Page IconTo Next Page
To Previous Page IconTo Previous Page
To Previous Page IconTo Previous Page
Loading...
SECTION 21 - TRANSMISSION 13
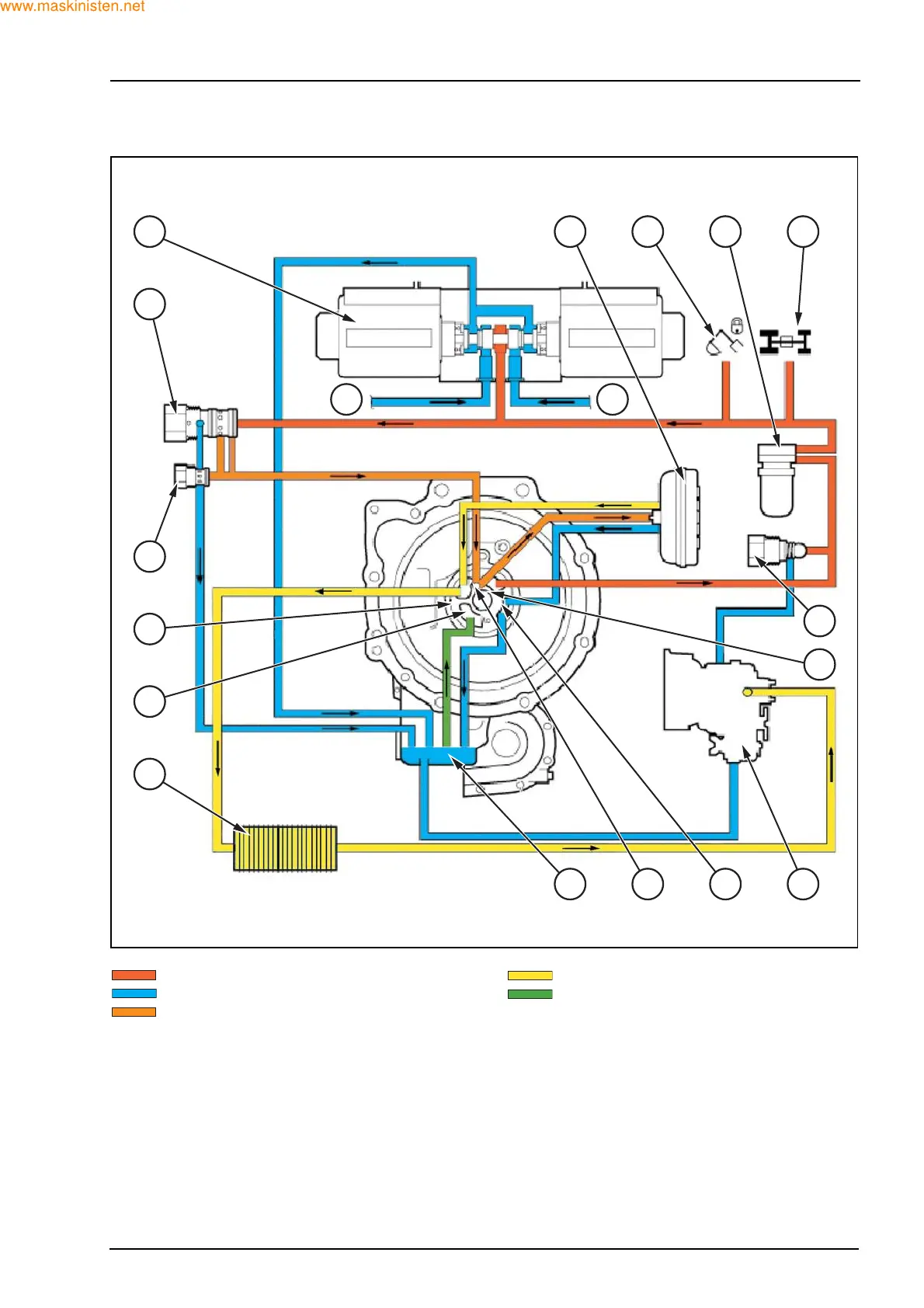
OIL FLOW AND SUPPLY IN NEUTRAL POSITION
Pump pressure
Return to Sump
Torque converter flow
Lubrication
Suction
1. Powershuttle control solenoid valve oil 14 bar.
2. Torque Converter - Receives low pressure sys-
tem oil at maximum 10 bar and returns oil to port
(10).
3. Backhoe Boom Lock oil flow 14 bar.
4. Pressure filter - Mounted to the left of the trans-
mission viewed looking forward.
5. FWD - Low pressure system oil supply received
from the filter at 14 bar and fed by external tube
to rear of transmission to the FWD.
6. Cold start pressure protection valve - prevents
system pressure exceeding 26 bar at initial cold
start.
7. Oil Pump Port OUT, to oil filter assembly
through internal drillings.
8. Oil returned from the oil cooler lubricates shafts,
gears and bearings and returns oil to tank.
F29968
1 2 3 4 5
11 10 9 8
6
7
F R
16
15
14
13
12
www.maskinisten.net
Copyright ©

Table of Contents

Other manuals for Case 580SR

Related product manuals