EasyManua.ls Logo

Case 580SR - Page 924

Case 580SR
1068 pages
Print Icon
To Next Page IconTo Next Page
To Next Page IconTo Next Page
To Previous Page IconTo Previous Page
To Previous Page IconTo Previous Page
Loading...
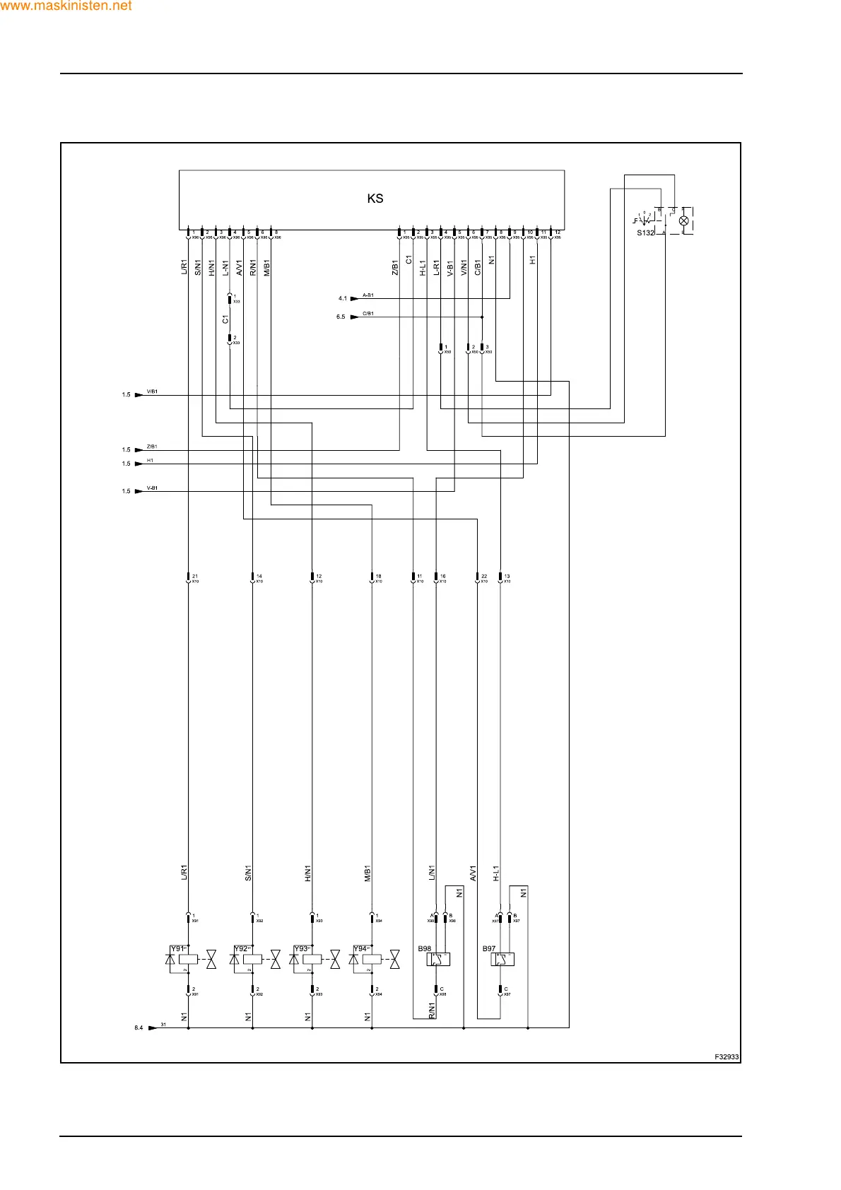
96 SECTION 55 - ELECTRICAL SYSTEM
STEERING LINE DIAGRAM
www.maskinisten.net
Copyright ©

Table of Contents