EasyManua.ls Logo

Case 865B VHP - Radio

Case 865B VHP
208 pages
Print Icon
To Next Page IconTo Next Page
To Next Page IconTo Next Page
To Previous Page IconTo Previous Page
To Previous Page IconTo Previous Page
Loading...
CHAPTER 8 – ELECTRICAL SYSTEM
8-13
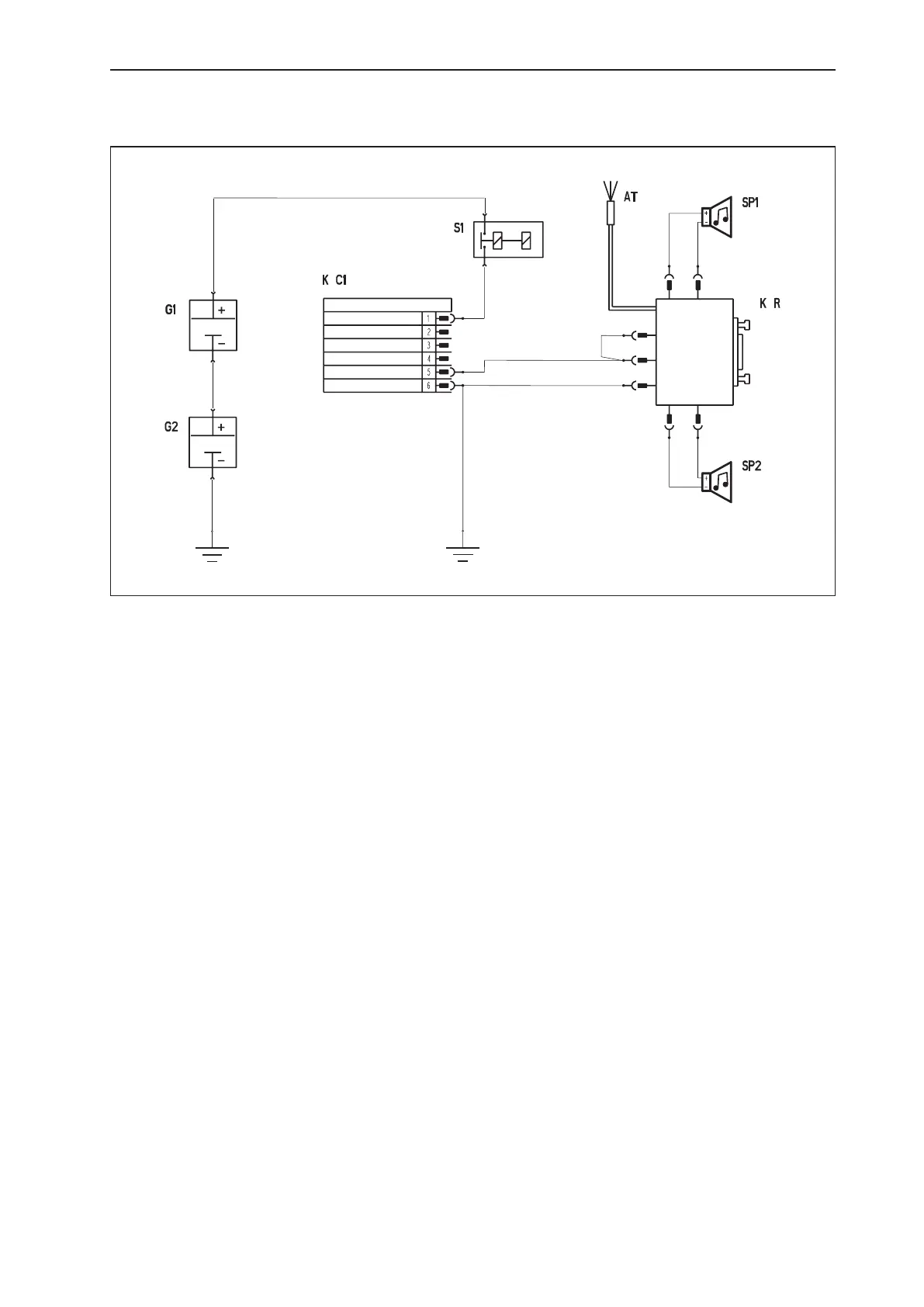
RADIO
The radio supply power is 12V, obtained through a converter that transforms the 24V electric system of the machine.
Radio
IGN
24V to 12V
+ 12 volts
Ground (Optional)
+ 24 volts
BAT
Ground
AT ANTENNA RADIO
G1 BATTERY 12V
G2 BATTERY 12V
K C1 CONVERTER VOLTAGE TO RADIO AND CIGARETTE LIGHTER 24/12 VOLTS
KR RADIO 12 VOLTS
S1 MASTER SWITCH
SP1 SPEAKER LH
SP2 SPEAKER RH

Table of Contents

Other manuals for Case 865B VHP

Related product manuals