EasyManua.ls Logo

Case CX130 - Page 120

Case CX130
262 pages
Print Icon
To Next Page IconTo Next Page
To Next Page IconTo Next Page
To Previous Page IconTo Previous Page
To Previous Page IconTo Previous Page
Loading...
4 - 32
DIAGNOSTIC - SELECTION
CASE TRAINING CENTER
AUGUST 2000
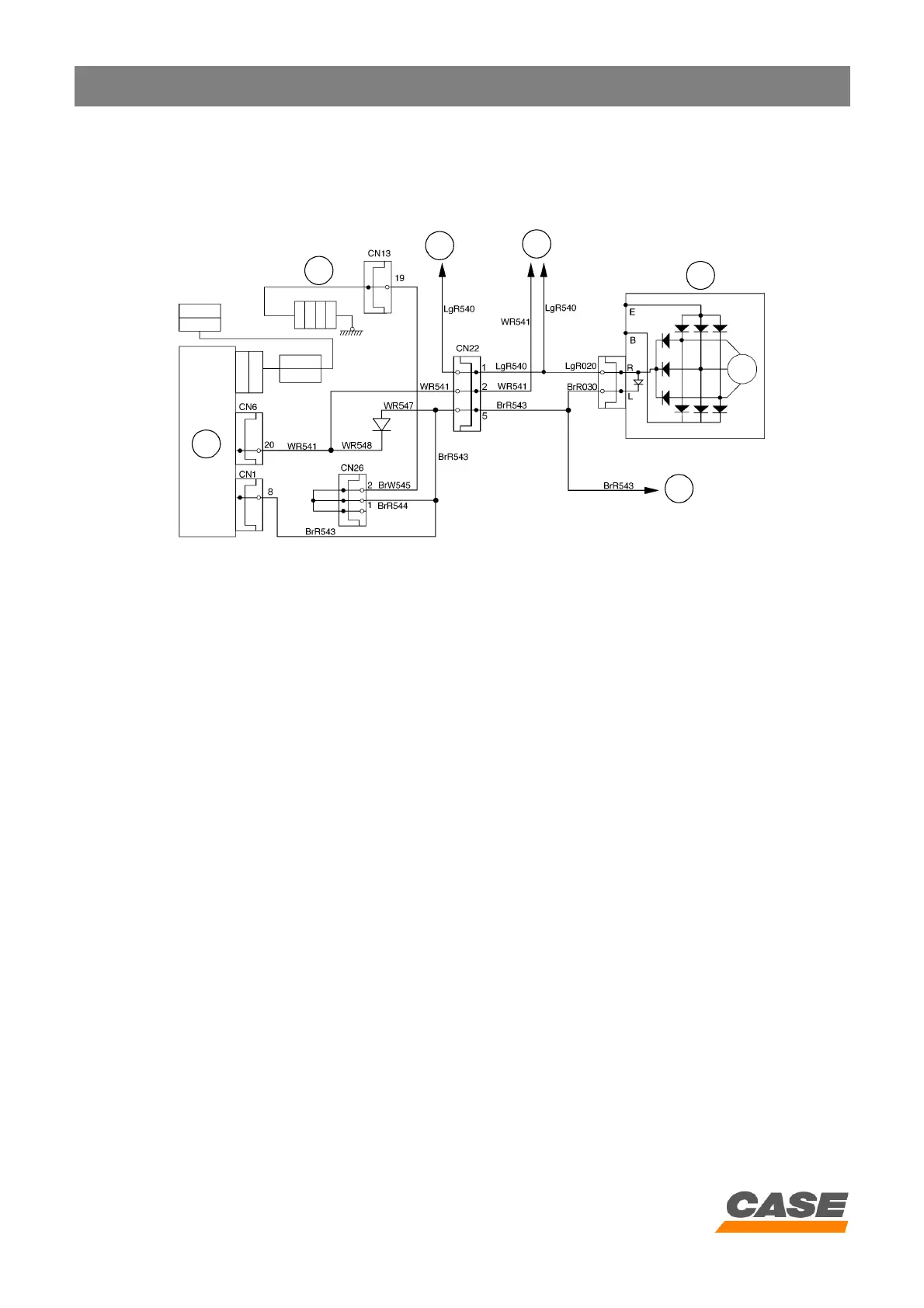
Battery charge circuit defective
Description of problem No. 5
- The message is still displayed.
CM00F005
1. Main electronic control box
2. Hourmeter
3. Battery relay
4. Alternator
5. Starter motor
6. Starter motor switch
1
2
6
3
4
5

Related product manuals