EasyManua.ls Logo

Case CX130 - Page 122

Case CX130
262 pages
Print Icon
To Next Page IconTo Next Page
To Next Page IconTo Next Page
To Previous Page IconTo Previous Page
To Previous Page IconTo Previous Page
Loading...
4 - 34
DIAGNOSTIC - SELECTION
CASE TRAINING CENTER
AUGUST 2000
Electrical system troubleshooting
Description of problem No. 6
- The message is still displayed
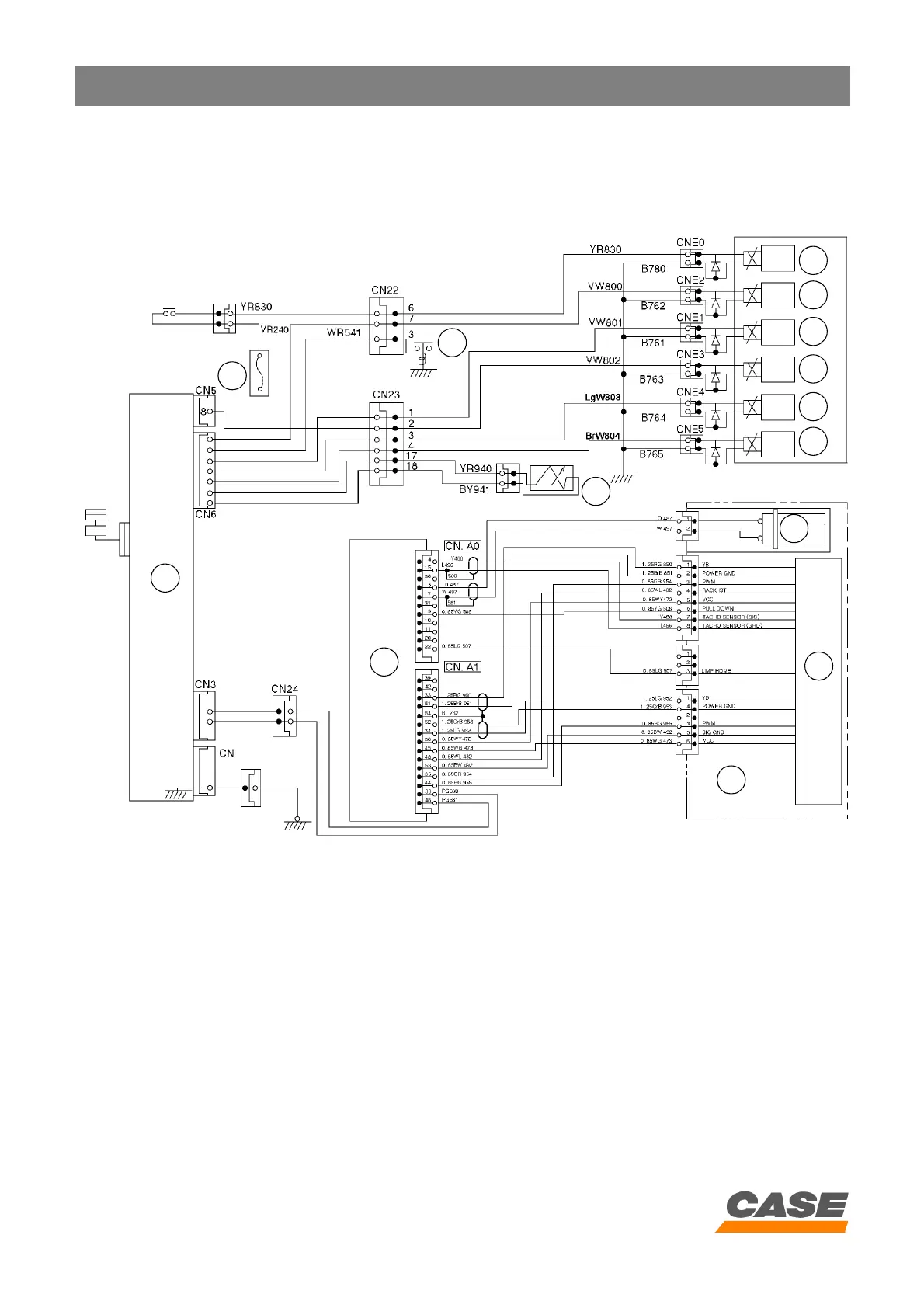
CS00F528
1. Main electronic control box
2. Engine electronic control box
3. Engine
4. Electronic regulator
5. Engine speed detector
6. Proportioning valve
7. Battery relay
11
12
13
14
9
10
5
4
3
6
2
7
8
1

Related product manuals