EasyManua.ls Logo

Case CX130 - Page 125

Case CX130
262 pages
Print Icon
To Next Page IconTo Next Page
To Next Page IconTo Next Page
To Previous Page IconTo Previous Page
To Previous Page IconTo Previous Page
Loading...
DIAGNOSTIC - SELECTION
4 - 37
CASE TRAINING CENTER
AUGUST 2000
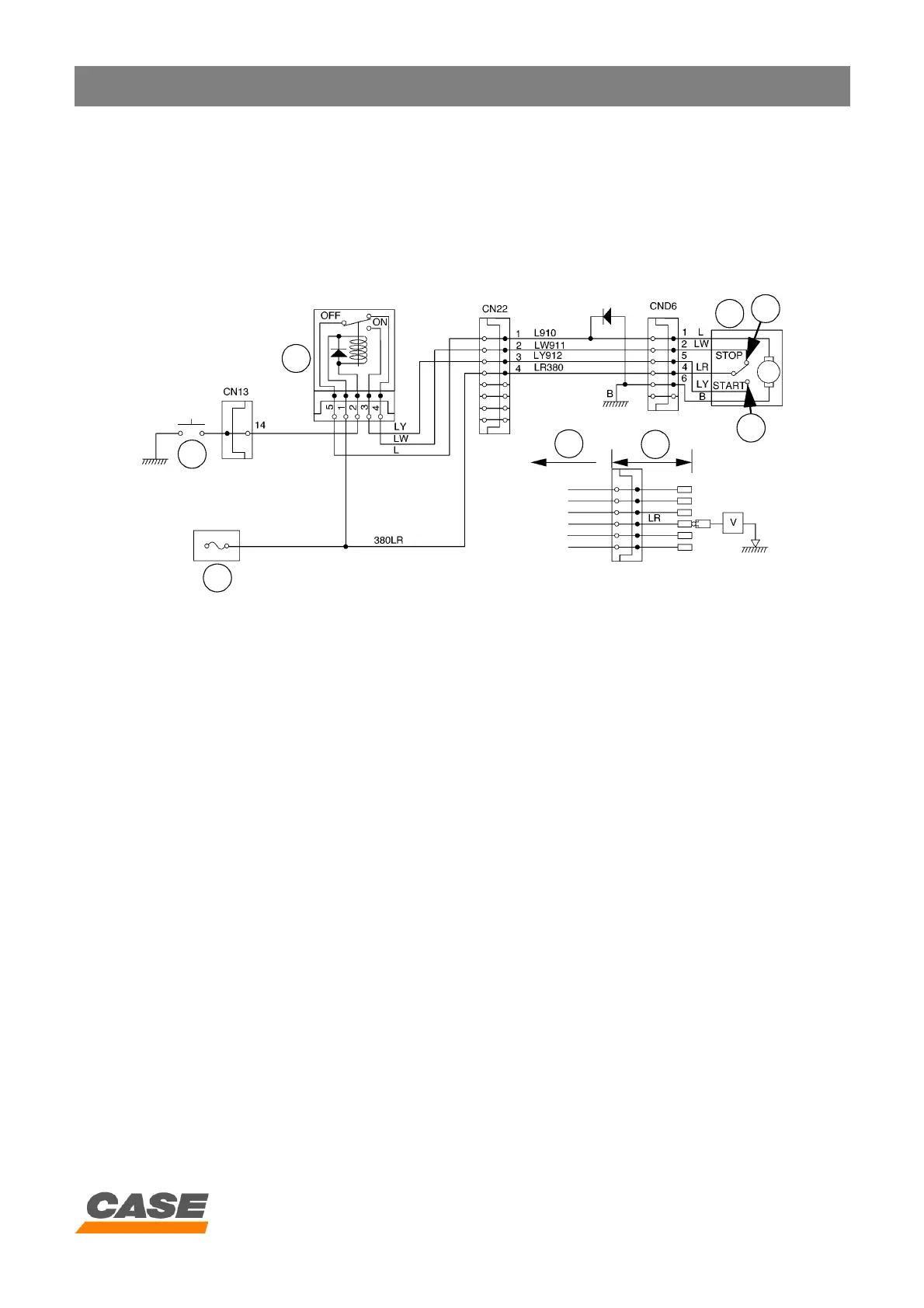
Description of problem No. 7
The engine will not start even when the message "ELEC. PROBLEM" is no longer displayed.
Prior checks:
1- Make sure there are no problems with the engine and in the fuel system.
2- Make sure that the fuses are intact.
3- Make sure that the starter motor is working and turning the engine.
CM00F006
1. Fuse
2. Emergency stop switch
3. Emergency stop relay
4. Emergency stop motor
5. Stop position
6. Start position
7. Cab end
8. Service connector end
2
1
3
7
8
6
5
4

Related product manuals