EasyManua.ls Logo

Case CX130 - Page 144

Case CX130
262 pages
Print Icon
To Next Page IconTo Next Page
To Next Page IconTo Next Page
To Previous Page IconTo Previous Page
To Previous Page IconTo Previous Page
Loading...
5 - 1
ELECTRIC CIRCUIT
CASE TRAINING CENTER
AUGUST 2000
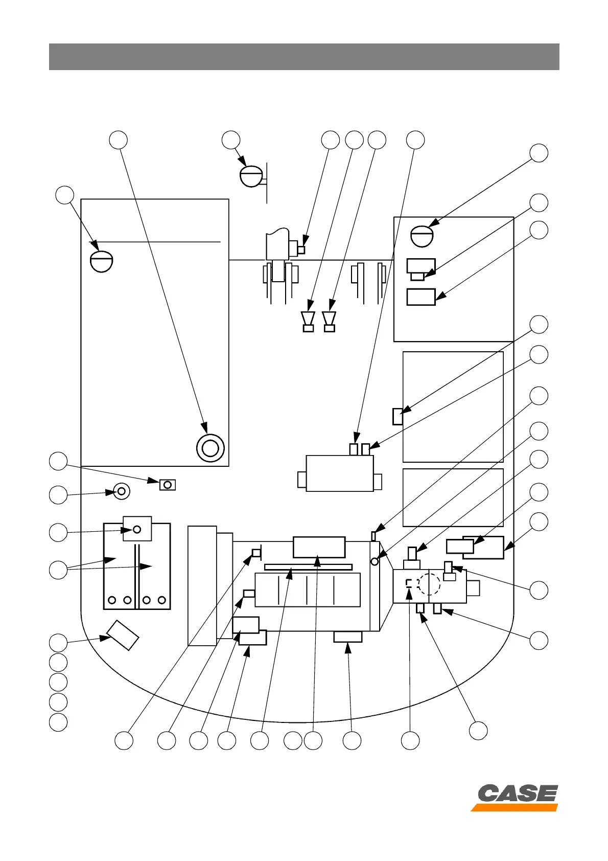
General location of components (outside the cab)
Model CX130
CM00E003
1
2 3 4 5 6 7
8
9
10
11
12
13
14
15
16
17
18
19
20
21222325 2426272829
34
33
32
31
30
35
36
37
38

Related product manuals