EasyManua.ls Logo

Case CX130 - Page 207

Case CX130
262 pages
Print Icon
To Next Page IconTo Next Page
To Next Page IconTo Next Page
To Previous Page IconTo Previous Page
To Previous Page IconTo Previous Page
Loading...
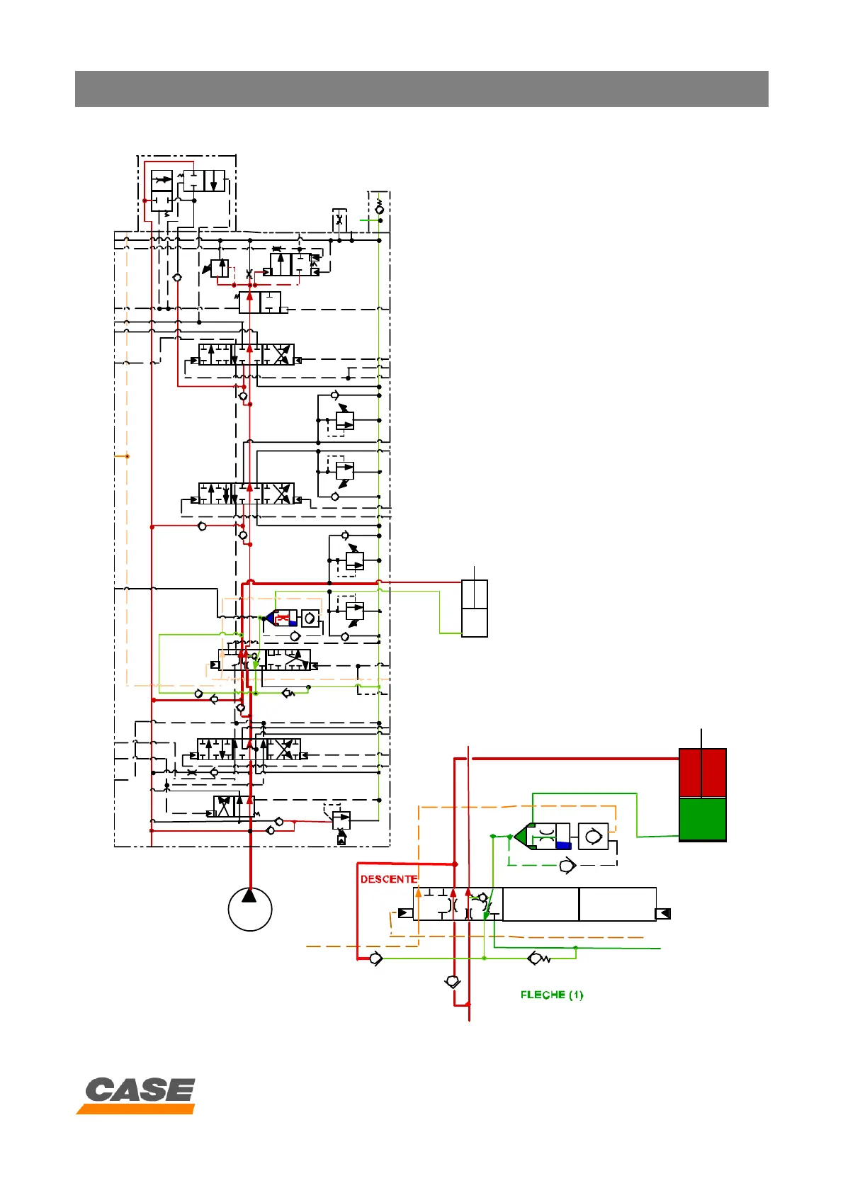
HYDRAULIC CIRCUIT
6 - 14
CASE TRAINING CENTER
AUGUST 2000
a
PY
FR
R2
PO
MONTEE
R4
R5
4b4
4a42
4a41
4b3
4a3
4A2
4B2
4A3
4B3
4b22
4a2
4b21
4A1
4B1
4b1
4a1
P13
B
ø 3
Ps2
0.29 Mpa
42 psi
2.9 bar
PR
A
c
FLECHE (1)
DESCENTE

Related product manuals