EasyManua.ls Logo

Case CX130 - Page 218

Case CX130
262 pages
Print Icon
To Next Page IconTo Next Page
To Next Page IconTo Next Page
To Previous Page IconTo Previous Page
To Previous Page IconTo Previous Page
Loading...
6 - 25
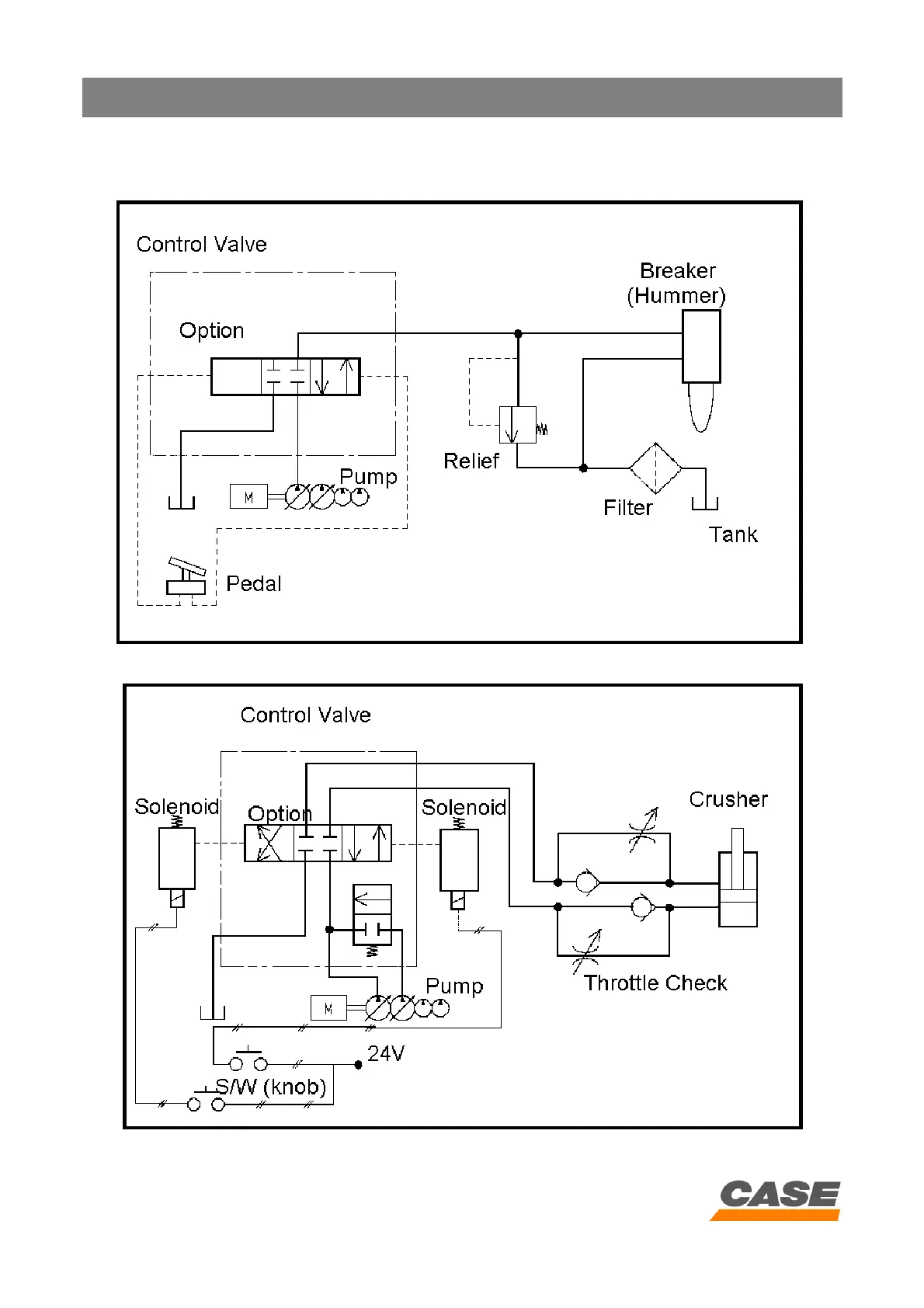
HYDRAULIC CIRCUIT
CASE TRAINING CENTER
AUGUST 2000
OPTION CIRCUITS
Hammer option
Double acting option

Related product manuals