EasyManua.ls Logo

Case CX130 - Page 225

Case CX130
262 pages
Print Icon
To Next Page IconTo Next Page
To Next Page IconTo Next Page
To Previous Page IconTo Previous Page
To Previous Page IconTo Previous Page
Loading...
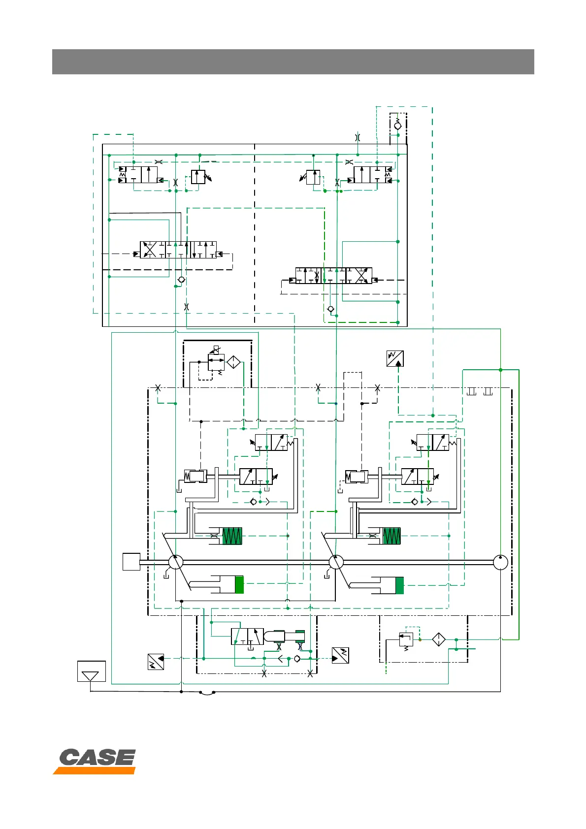
HYDRAULIC CIRCUIT
6 - 32
CASE TRAINING CENTER
AUGUST 2000
3.92 Mpa
565 psi
39 bar
M
ISUZU
4BGIT
66,2KW
2100
G1
A1 G2 A2
G3
X3
A3
G4 G5
G6 G7
T2T1R2
R1PZ2
T
X7
X8
X1
PZ1
S
S3
X4
X2
FL
FR
R2
ø 3
0.29 Mpa
42 psi
2.9 bar

Related product manuals