EasyManua.ls Logo

Case CX130 - Page 66

Case CX130
262 pages
Print Icon
To Next Page IconTo Next Page
To Next Page IconTo Next Page
To Previous Page IconTo Previous Page
To Previous Page IconTo Previous Page
Loading...
3 - 32
COMPONENTS CX130
CASE TRAINING CENTER
AUGUST 2000
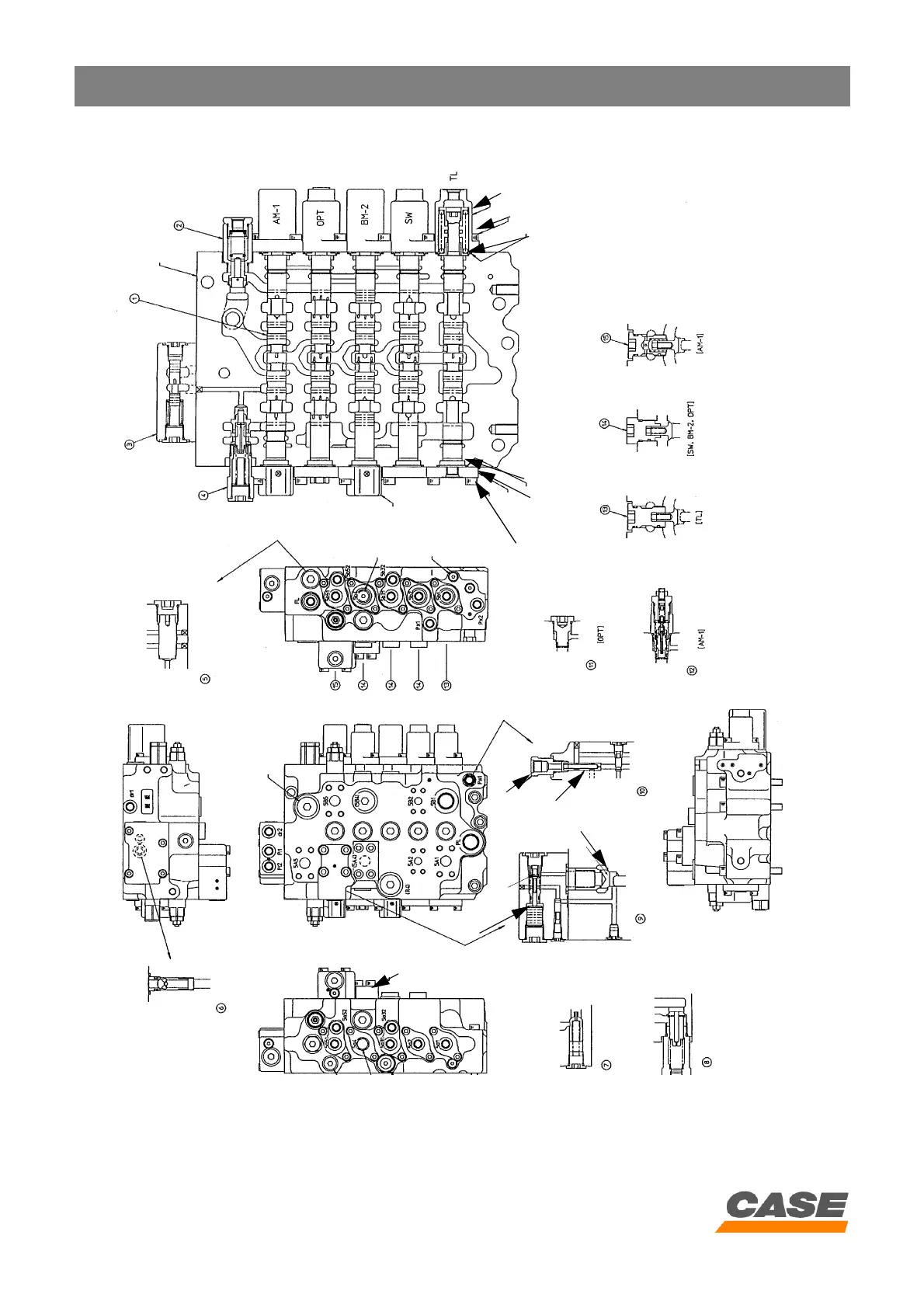
Control valve (follow)
ARM
REGENERATION
VALVE
CHECK VALVE
PLUG
COVER
FITTING
SPOOL COVER
BOLT
O-RING
ARM ANTI-
DRIFT VALVE
STRAIGHT
TRAVEL SIGNAL
SWITCH VALVE
ORIFICE
PLUNGER CHECK
VALVE
PORT RELIEF
VALVE
PLUG
LOAD CHECK VALVES
END PLATE
PLUG
PILOT POPPET
PLUG
ARM REGENERATION
CHECK VALVE
PLUG
BOOM BACK
PRESSURE CHECK
VALVE
NEGATIVE FLOW
CONTROL PRESSURE
VALVE
SWING PRIORITY
VALVE
CONTROL VALVE
BOLT
O-RING
ARM 1
SWING
BOOM 2
AUXILIARY
LEFT
TRAVEL
ARM 1
ARM 1
AUX
BOOM 2
SWING

Related product manuals