EasyManua.ls Logo

Case CX240 - Swing Priority

Case CX240
273 pages
Print Icon
To Next Page IconTo Next Page
To Next Page IconTo Next Page
To Previous Page IconTo Previous Page
To Previous Page IconTo Previous Page
Loading...
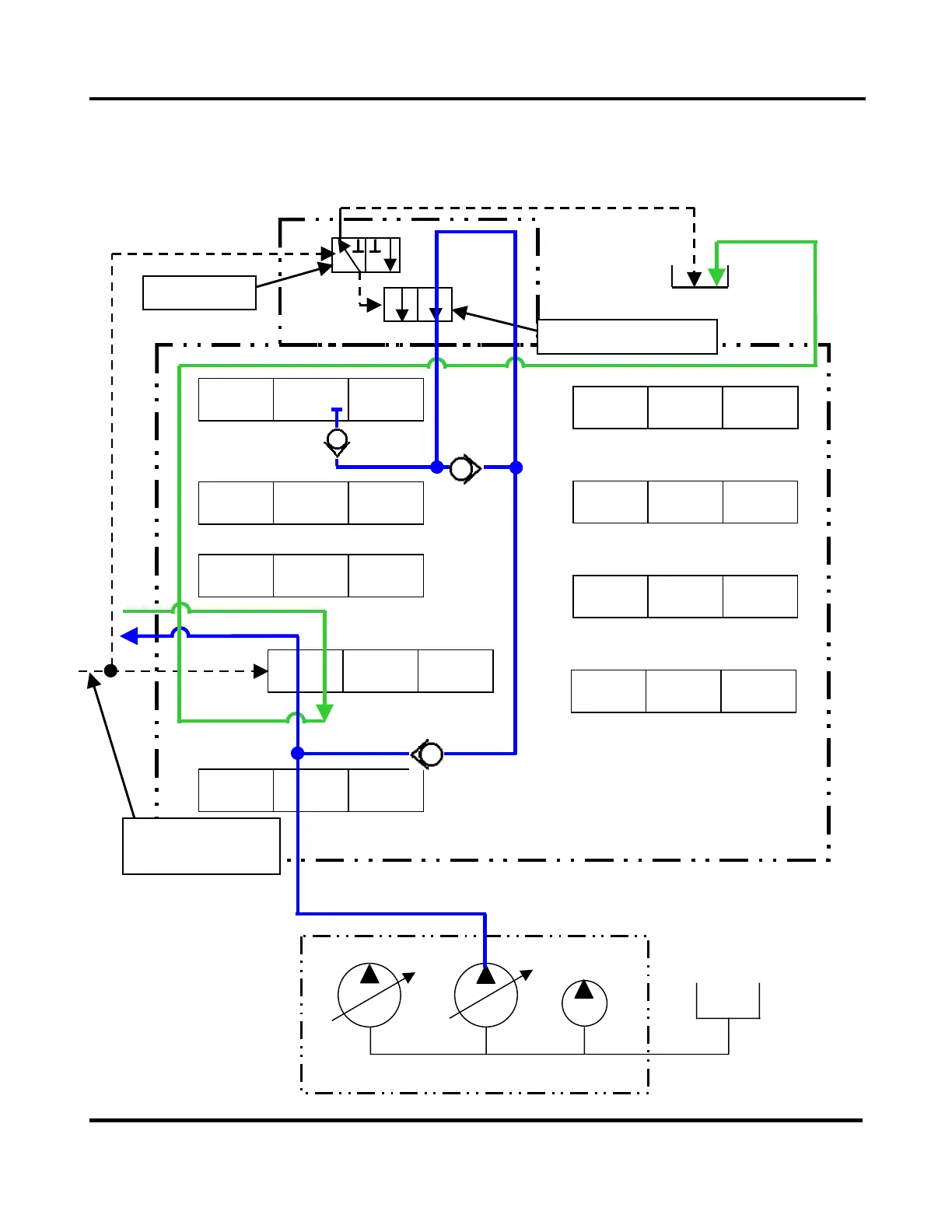
HYDRAULICS – CX130/CX160
5 - 23
CX EXCAVATORS
SWING PRIORITY
P2P1 PP
Arm1
Option
Arm2
Bucket
Boom2
Swing
Boom1
Travel
Travel
)
(
W
W
) (
Cut Valve
Swing Priority Valve
Pilot Oil from
hand control

Table of Contents

Related product manuals