EasyManua.ls Logo

Case CX240 - Page 179

Case CX240
273 pages
Print Icon
To Next Page IconTo Next Page
To Next Page IconTo Next Page
To Previous Page IconTo Previous Page
To Previous Page IconTo Previous Page
Loading...
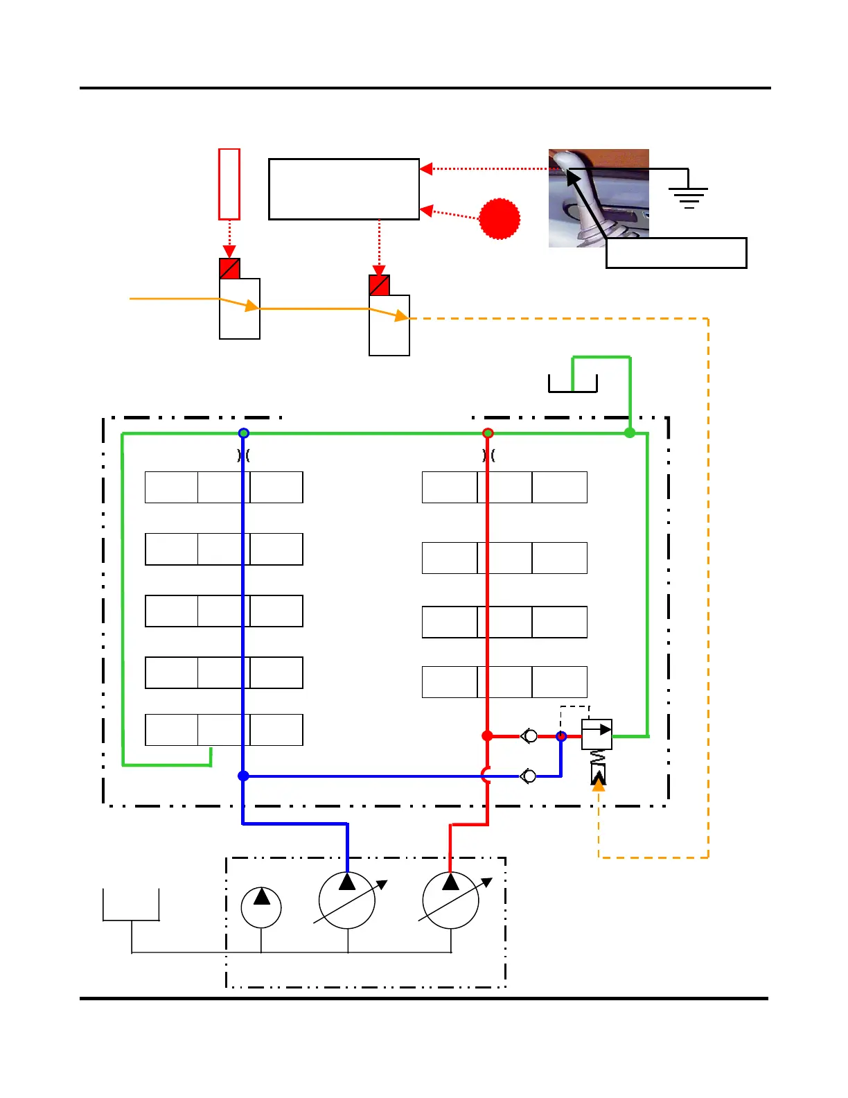
HYDRAULICS – CX130/CX160
5 - 39
CX EXCAVATORS
POWER BOOST
P1P2PP
Travel
Swing
Boom 2
Option
Arm 1 Arm 2
Bucket
Boom 1
Travel
Control Valve
CONTROLLER
10A Fuse
Power Boost Switch
Power Boost Solenoid
Pilot Solenoid
550/600 psi
24V
24V
0V
RPM Signal
Hertz

Table of Contents

Related product manuals