EasyManua.ls Logo

CashCode FrontLoad Series - Page 40

CashCode FrontLoad Series
58 pages
Print Icon
To Next Page IconTo Next Page
To Next Page IconTo Next Page
To Previous Page IconTo Previous Page
To Previous Page IconTo Previous Page
Loading...
page 1-40 Part 1. Operation Manual Rev. 03-2004
Bill Acceptor FL Series Service Manual
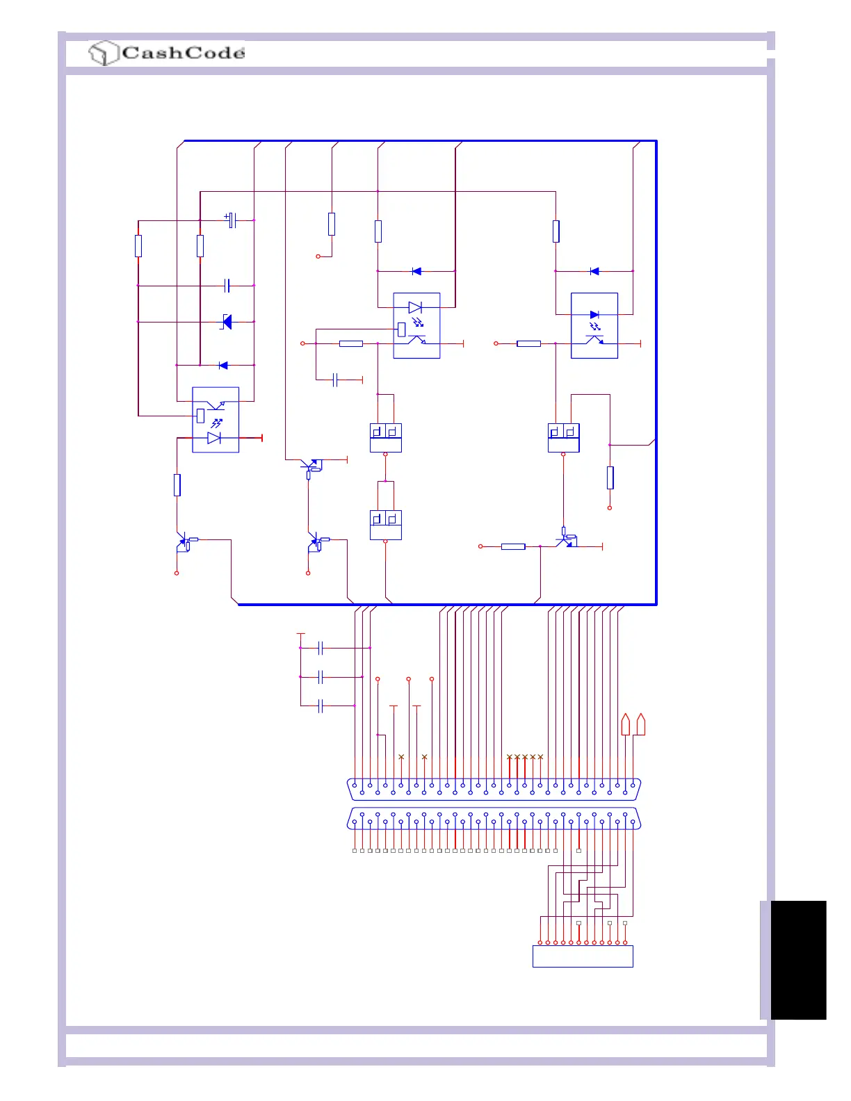
INPUT/OUTPUT CIRCUITS OPTO-ISOLATED VERSION
VCC VCC
GND
VCC
GND
VCC
GND
+12V
VCC
VCC
GND
+12V
GNDVCC
VCC
GND
GND
GND
GND
BRST
RST
RST-BDP
RXD
TXD
DIRECT
PM-EN
BRST
GND-BDP
LED-BDP
PWR-LED
RXD-BDP
+12V-BDP
TXD-BDP
RST-BDP
LED
CYCL
TMD
BOX
L1
L2
L3
TXD
LED
+12V-BDP
PWR-LED
LED-BDP
RXD
L3
L1
L2
RXD-BDP
GND-BDP
TXD_BDP
&
DD1B
MC74HC132AD
4
6
5
&
DD1A
MC74HC132AD
1
3
2
&
DD1D
MC74HC132AD
12
11
13
VD4 VD5
VD3
No.747843-4
19
37
18
36
17
35
16
34
15
33
14
32
13
31
12
30
11
29
10
28
9
27
8
26
7
25
6
24
5
23
4
22
3
21
2
20
1
VT8
VT2
VT4
VT1
C21
C22
C23
C14
R3
R4
5.1K
R11
R14
VE4
PC400
54
1 3
6
R12
R8
VE3
PC400
54
1 3
6
R5
R13
R9
VE5
PC357NT
34
1 2
C24
VD6
R10
C15
CONNECTOR DB37
19
37
18
36
17
35
16
34
15
33
14
32
13
31
12
30
11
29
10
28
9
27
8
26
7
25
6
24
5
23
4
22
3
21
2
20
1
12 JAE HEADER
1
2
3
4
5
6
7
8
9
10
11
12
Power -
Power +
INTERFACE
CONNECTION

Related product manuals