EasyManua.ls Logo

Casio LK-90TV - Page 26

Casio LK-90TV
37 pages
Print Icon
To Next Page IconTo Next Page
To Next Page IconTo Next Page
To Previous Page IconTo Previous Page
To Previous Page IconTo Previous Page
Loading...
— 24 —
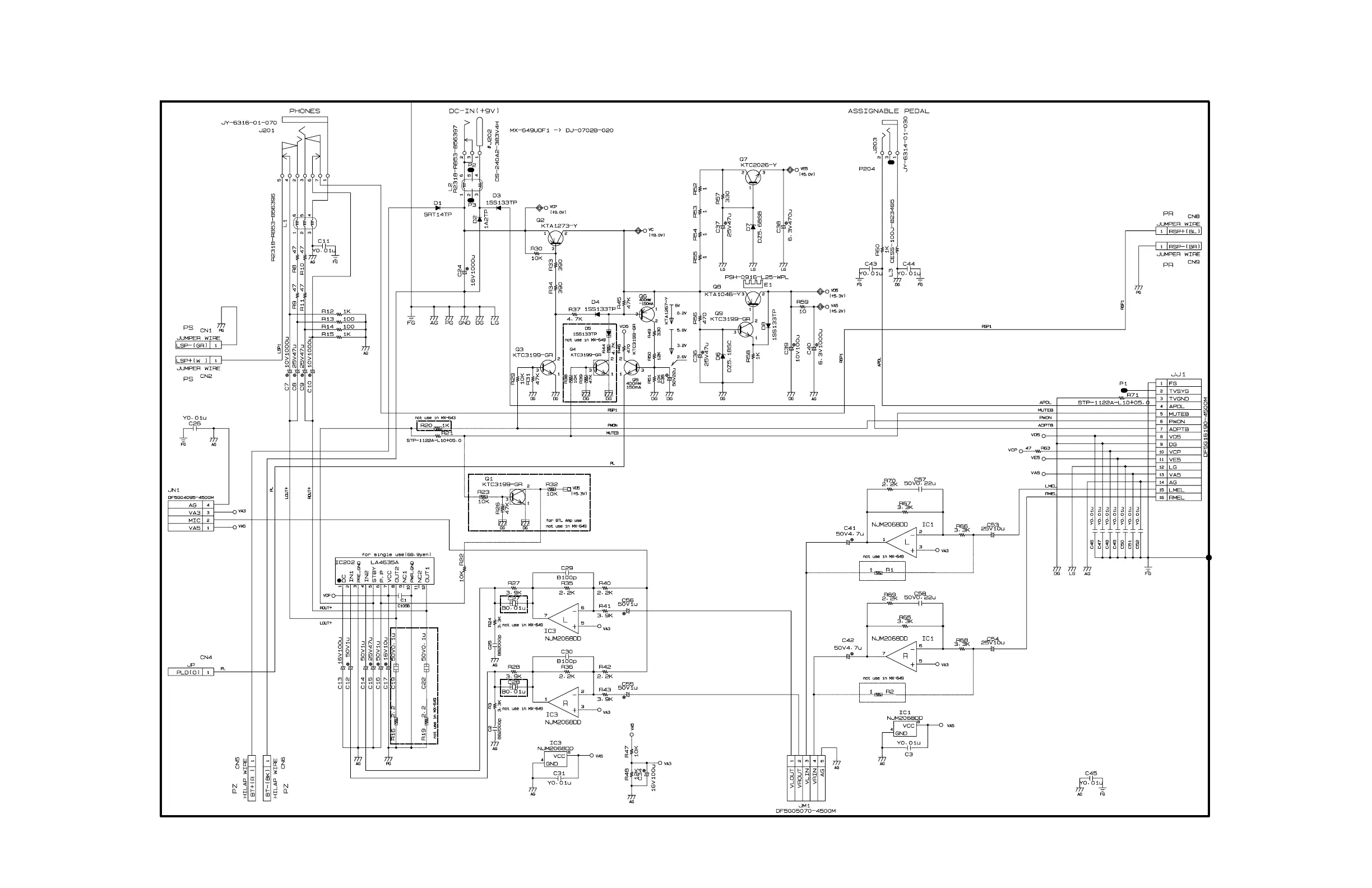
M649-SUB PCB (1/2)

Related product manuals