EasyManua.ls Logo

Cello C32ZFCHAM-LED - Device Connection Diagram

Cello C32ZFCHAM-LED
47 pages
Print Icon
To Next Page IconTo Next Page
To Next Page IconTo Next Page
To Previous Page IconTo Previous Page
To Previous Page IconTo Previous Page
Loading...
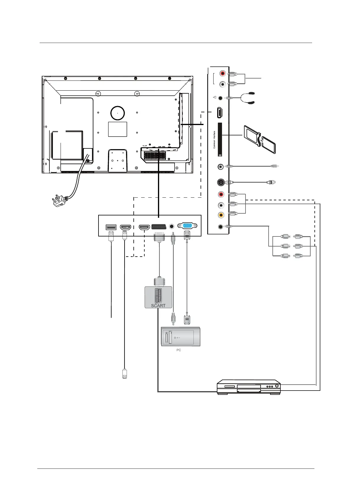
Connecting external devices (continued)
13
AC POWER IN
USB HDMI1 HDMI2 SCART PC-IN VGA
CoaxYPbPr Video L-in R-in RF
Headphone out
Common Interface
TV Signal
Satellite Box
or Blue Ray DVD
Output to
Audio amplifier
USB device
Audio out
L R
HDMI3
Output to
Audio amplifier

Related product manuals