EasyManua.ls Logo

Central Hydraulics 2792 - Main Assembly Drawing

Central Hydraulics 2792
12 pages
Print Icon
To Next Page IconTo Next Page
To Next Page IconTo Next Page
To Previous Page IconTo Previous Page
To Previous Page IconTo Previous Page
Loading...
SKU 2792 For technical questions, please call 1-800-444-3353. Page 9
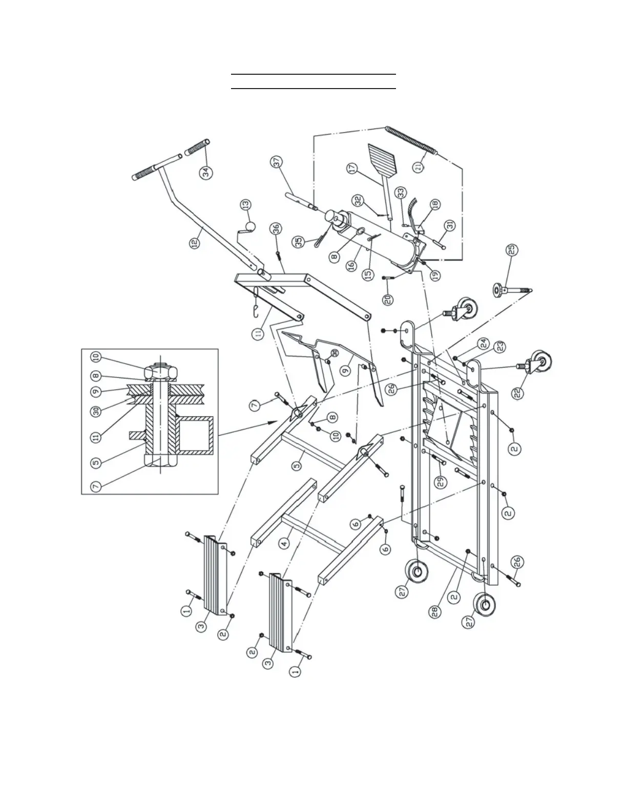
Main Assembly Drawing
Rev 04a, 04c, 10c

Related product manuals