EasyManua.ls Logo

Central Pneumatic 91044 - Assembly Drawing

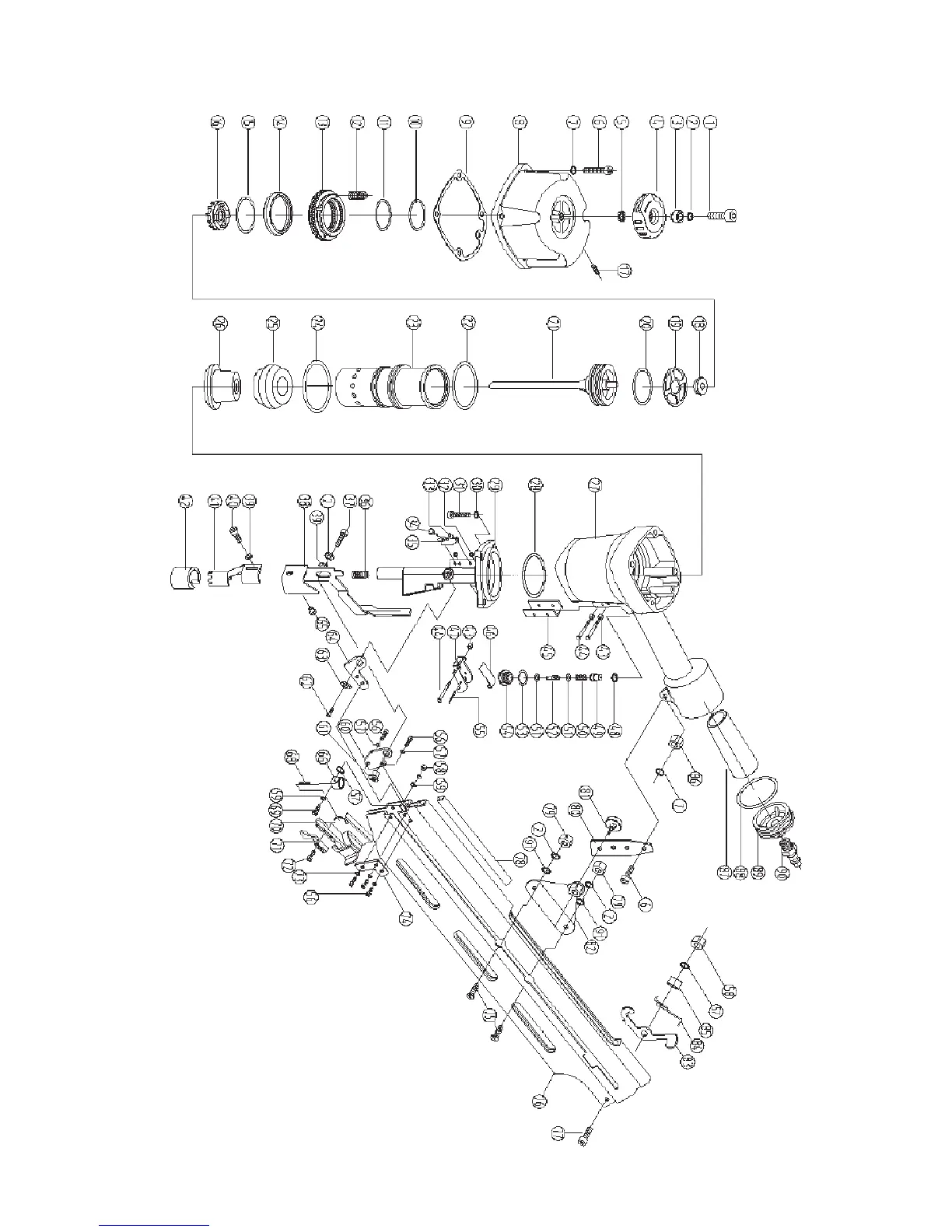
Central Pneumatic 91044
12 pages
Print Icon
To Previous Page IconTo Previous Page
To Previous Page IconTo Previous Page
Loading...
Page 12SKU 91044 For technical questions, please call 1-800-444-3353.
Assembly Drawing
REV 06/05

Related product manuals