EasyManua.ls Logo

Central Pneumatic 93760 - Assembly Diagram

Central Pneumatic 93760
14 pages
Print Icon
To Next Page IconTo Next Page
To Next Page IconTo Next Page
To Previous Page IconTo Previous Page
To Previous Page IconTo Previous Page
Loading...
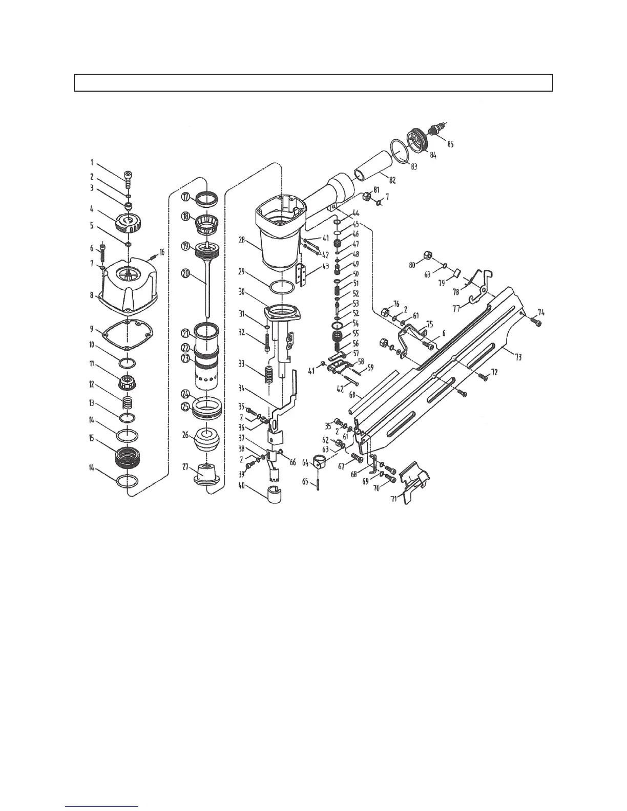
ASSEMBLY DIAGRAM
NOTE:
Some parts are listed and shown for illustration purposes only,
and are not available individually as replacement parts.
SKU 93760 For technical questions, please call 1-800-444-3353 PAGE 13
86: Nails not shown.
87: Nails not shown.
88: Goggles not shown.
89: Tool Oil not shown.
90: Hex Wrenches not shown.
91: Carrying Case not shown.

Related product manuals