EasyManua.ls Logo

Centurion CS32 RDO - Operating Controls Overview; Drive Unit and Limit Set Components; Control Box and Circuit Board Layout

Centurion CS32 RDO
21 pages
Print Icon
To Next Page IconTo Next Page
To Next Page IconTo Next Page
To Previous Page IconTo Previous Page
To Previous Page IconTo Previous Page
Loading...
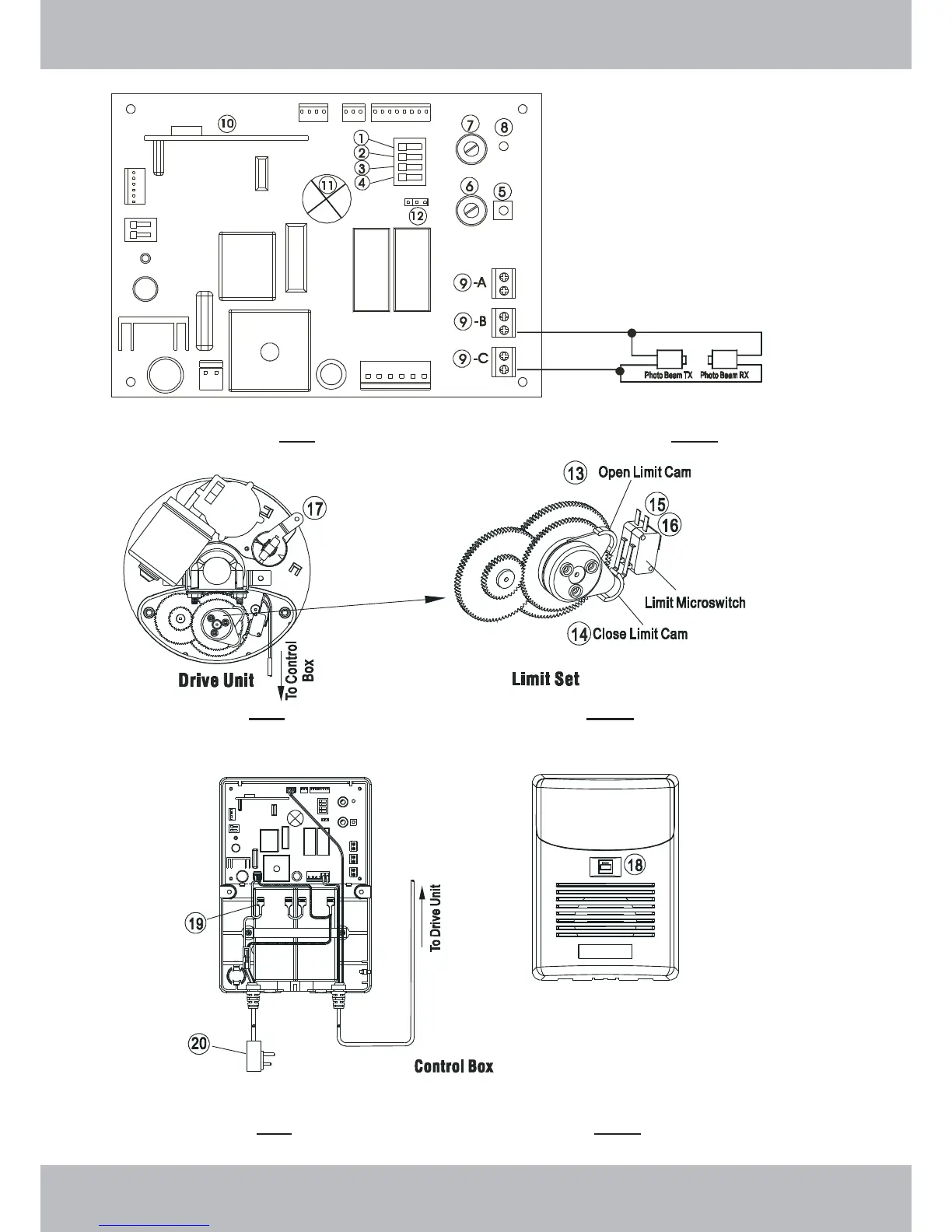
OPERATING CONTROLS
Fig 1 Fig 1A
Fig 2 Fig 2A
Fig 3 Fig 3A
4
OPERATING CONTROLS

Related product manuals