EasyManua.ls Logo

Ceridian Dayforce Tuff Clock - Optional Relay Module; Relay Module Specifications and Connectors

Ceridian Dayforce Tuff Clock
31 pages
Print Icon
To Next Page IconTo Next Page
To Next Page IconTo Next Page
To Previous Page IconTo Previous Page
To Previous Page IconTo Previous Page
Loading...
DF Tuff
Page 21 of 31
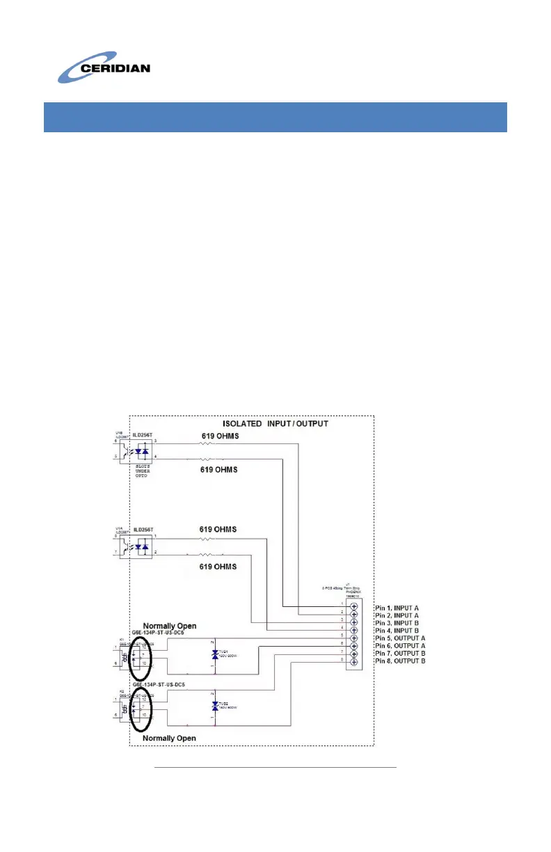
10 OPTIONAL RELAY MODULE INFORMATION
An optional factory-installed Relay Module is available at time of order.
The Relay Module contains:
Two Form C relay (contact-closure) outputs; Max Rating 1A at
30V DC.
Two Optically-Isolated Inputs; 24V DC, 1.2Kohm
The Relay Module connector on the rear of the clock is a Binder Part
Number: 09 3482 287 08. The clock will also be supplied with a field-
wireable mating connector, Binder Part Number: 99 0487 282 08
The Relay Module schematic and connector pinouts are shown in the
following figures.
Figure 7: Relay Module Schematic Connections

Related product manuals