EasyManua.ls Logo

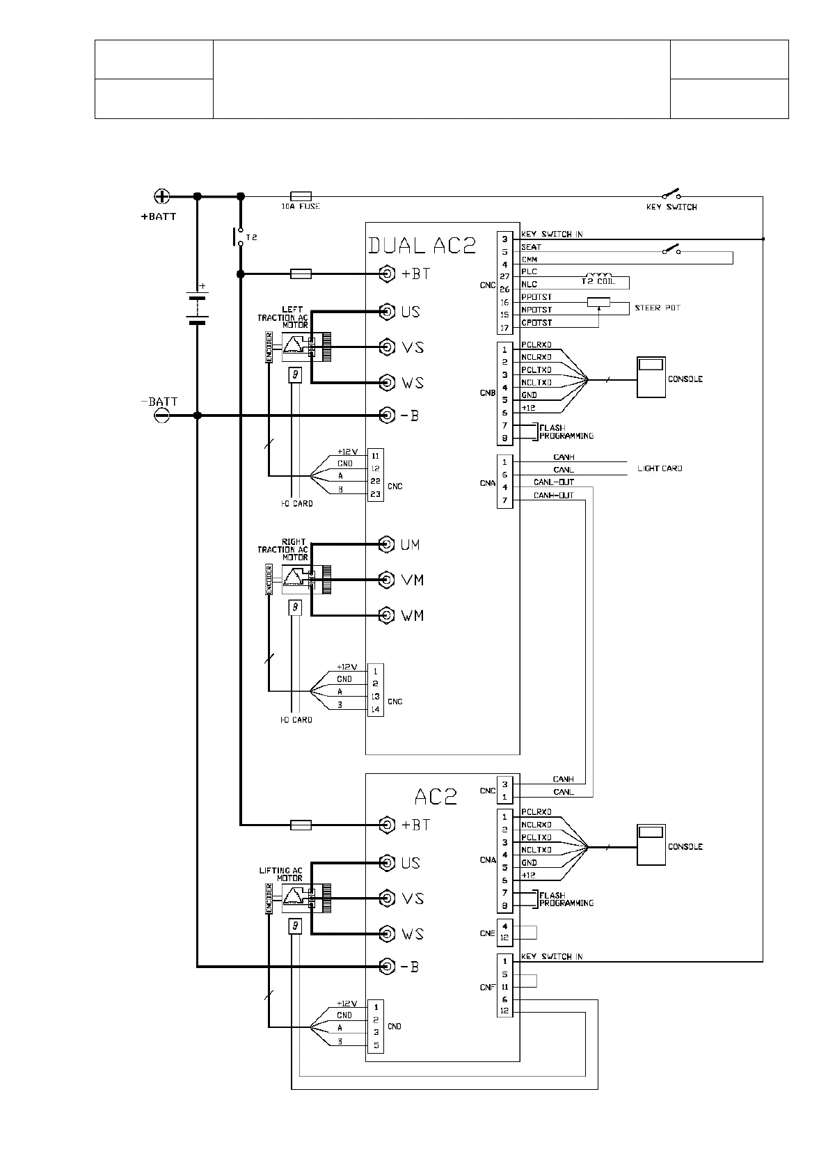
CESAB BT BLITZ 312 - Electrical Circuit Connection; Dual Ac2 Traction Unit and Ac2 Lifting Unit

CESAB BT BLITZ 312
234 pages
Print Icon
To Next Page IconTo Next Page
To Next Page IconTo Next Page
To Previous Page IconTo Previous Page
To Previous Page IconTo Previous Page
Loading...
chapter 5000
page 21
1,2 - 2,0 t A.C.
SERVICE MANUAL
Electric
036-0410-07
SEGNALI
CAN-BUS
355 A FUSE
300 A FUSE
ELECTRICAL CIRCUIT CONNECTION
DUAL AC2 TRACTION UNIT AND AC2 LIFTING UNIT

Table of Contents

Related product manuals