EasyManua.ls Logo

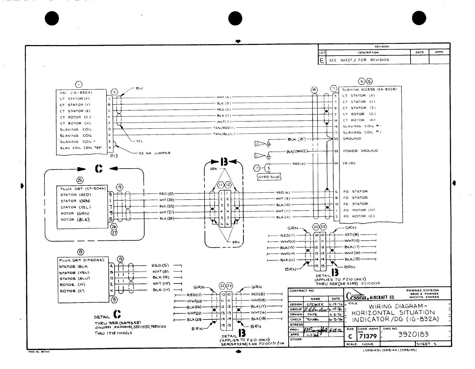
Cessna SKYMASTER 337 Series - (SHEET 5 OF 5)

Cessna SKYMASTER 337 Series
414 pages
Print Icon
To Next Page IconTo Next Page
To Next Page IconTo Next Page
To Previous Page IconTo Previous Page
To Previous Page IconTo Previous Page
Loading...
Z
111
wz<
z
o0.
> <
<
3
0
3
0
Z
D
o
a
d
a
[U
o
0E
a0
a
2
D
0
a
ID
U
0
a
LU
(O
-i LU
_
A
I9.
of j
1.
1
0 ir
Y
K
1
'
j'
'
c
0~~~~
~
~
N
N N4 LU
2
-
,
'
,C
2
o
,
-m
_( =3(t-3
8 1
63t-
of
0
3
_ _
)
-
=,)tT
S
"
D
C
o
°
-
0 N
\ v
J-L
S I-
^
---
Y
-y
'LU
L
U
4
0
U
" '
"s t I
I
"*"
11111
_;
_:
_
_
c
-
a
i
F
CC
g Q
£
r
3S
'LaLaW^
B
T
JUJ-15^~
of
CC
a
a
15
-1 I
~~~~~~N
I (~~~~i
-3
'4-
(I
0
---
(-
LU CD
Li
, .
a LI.YN
4-
0
N
'x
4
2
N^
*
.c
I
0
F-
4
F-
In
cc
-
0
F
IV
F-
0
LU
I
0
a
of
1
-F-
F-
F-
I
V V
V V
V
i
0
U
2
>
a
4
L
<C1
_1
0
U
2
4
Ull
.F
-'J
Z
O
V
0
6
2
u
44
W I f
-i
C
--
DC
c
t_--D
N
Iw
0
03
I-
9
'
1L1
0-0-0
N N L
L
F
05S
4n
n-c
c
I
I
II
I
I
I
z
Z
0
0
_
N
o
O
- -
Li
x
In
N
LLLJ
>'r
I-
LU
LU
I
P
v]
i
I/)
VI-;
) u
> DC
4
0
2F
4
F-
loC
NJ
C-
I
0
0
aU
-
V
co
o
n
It
U
06
'9
2
a
In
j
6
U
li
2
4
N
>
rJ
_ _-
FI-
0
CC CY
F-
F
O
4 N
0
F
F
F-
V V
V
r) a-
_ oDC
_ _ __
i
!
CV
1/1
t,0
N
v
if
to
N
LU
Vl
N
!U
N
4
Z
<
F-
0
i0
2
z:
Z
2
<
0
-04
_ o_
i-
r
i!
^
9
'
4
,n
W
0
Q
5
¢
o
z
a
OI
I
c
D3K
U)
§g-
2
Si^
I
a
j
4
Z 0.
U
LI
I-
Z
<
-
0 L40
3D
}
t-l
2
4
F-
TTT
3
0
--
g
I-
9
Li!
I
i
=
C)
0
_
O
0
i2
9
i
°
F
t
As
f1-
3
a
:M
3
*S
I#
I- I
(-
NC:
-
Loi
=
J
k
i
0
VI
z
0
-
lY*
It
0
In
0
3'
3
1-.
r
LS
ti
0
F-
0d
L
cd
10
0
N
t
'
i
S
i
0 00
F
AF-
UUIl
S
I
0
n
J
,)
Z
Y
Cv
J
ce
C-

Table of Contents

Related product manuals