EasyManua.ls Logo

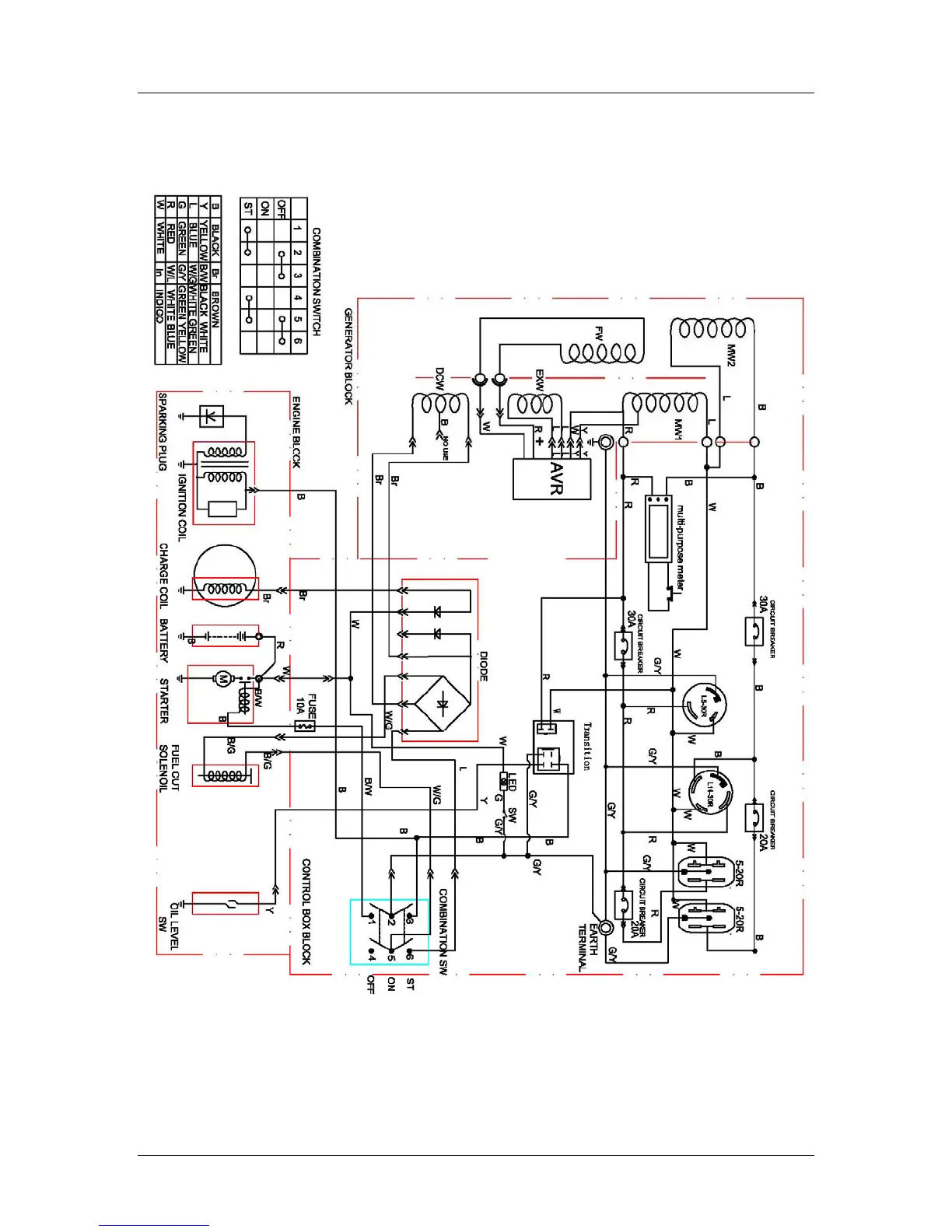
Champion 41513 - Generator Electrical Schematics; Generator Wiring Diagram

Champion 41513
31 pages
Print Icon
To Next Page IconTo Next Page
To Next Page IconTo Next Page
To Previous Page IconTo Previous Page
To Previous Page IconTo Previous Page
Loading...
Specifications
Rev 41513-20100224 English 21
Wiring Diagram

Related product manuals