EasyManua.ls Logo

Chappee 1.45 FF HTE - Page 23

Chappee 1.45 FF HTE
33 pages
Print Icon
To Next Page IconTo Next Page
To Next Page IconTo Next Page
To Previous Page IconTo Previous Page
To Previous Page IconTo Previous Page
Loading...
23
R
c) with AGU2.500 device for control of a low temperature system:
Refer to the instructions provided with the AGU2.500 accessories for connection and control of a
low temperature zone.
In this case the set of some electronic parameters have to be modified (see § 15).
The electrical connection and settings needed to control a system divided into zones vary depending
on the accessories connected to the boiler.
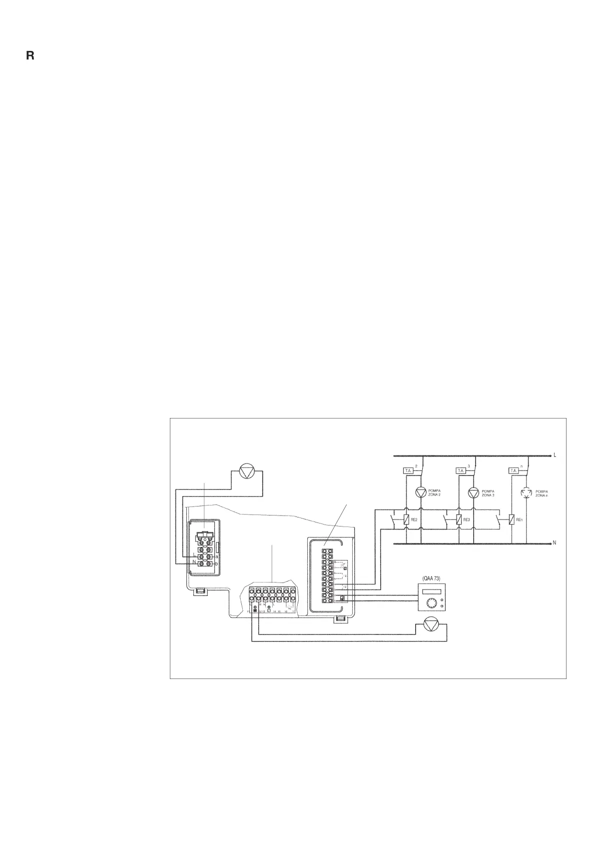
a) Without QAA73 room temperature control device:
The contact relating to the request for operation of the various zones must be parallel-connected
and connected to terminal 3-4 “TA” of terminal board M2 in figure 11. The jumper present must be
removed.
The central heating temperature is selected directly on the boiler control panel in accordance with
the instructions provided for the user in this manual.
b) with QAA73 room temperature control device:
The pump relating to the room controlled by the QAA73 room temperature control device must be
supplied with electricity by means of terminals 11-12 of terminal board M3 in figure 11.
The contact relating to the request for operation of the other zones must be parallel-connected and
connected to terminal 3-4 “TA” of terminal board M2 in figure 11. The jumper present must be
removed.
The central heating temperature of the zone controlled by the QAA73 is set automatically by the
QAA73 itself.
The central heating temperature of the other zones must be selected directly on the boiler control
panel.
IMPORTANT: For systems divided into zones, parameter 80 “HC2 gradient”, which can be set on
the QAA73 temperature regulator, must be set as _ _ . _ “not active”.
Figure 11
N ZONE
(ROOM THERMOSTAT)
3 ZONE
(ROOM THERMOSTAT)
2 ZONE
(ROOM THERMOSTAT)
c) with AGU2.500 device for control of a low temperature system:
Refer to the instructions provided with the AGU2.500 accessories for connection and control of a
low temperature zone.
In this case the set of some electronic parameters have to be modified (see § 15).
13.5 Connecting a zoned
system
1 ZONE
0601_2004/CT_0675
M2
M3
M1
1 ZONE PUMP
BOILER UNIT
CIRCULATING
PUMP

Related product manuals