EasyManua.ls Logo

Chappee initia+ DUO HTE Series - Page 48

Chappee initia+ DUO HTE Series
Print Icon
To Next Page IconTo Next Page
To Next Page IconTo Next Page
To Previous Page IconTo Previous Page
To Previous Page IconTo Previous Page
Loading...
7698967.01 (1-01/18) 48
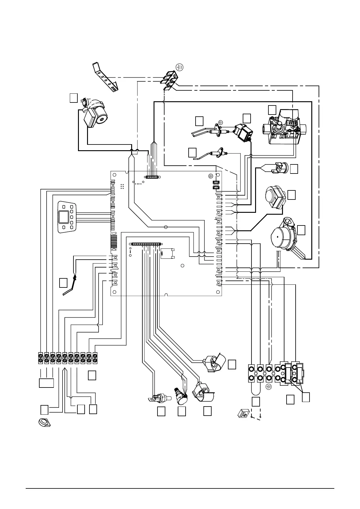
SECTION B
M1
3
2
1
4
5
6
7
11
13
14
15
17
16
18
19
20
10
9
CG_2609
8
X10
X11X12 X13X14
X1 X2
X23
X70
X60
X22
X50
X42X41X40
X30X21X20
B
NR
M
C
RBN
C
C
V
N
R
V
V
R
R
C
C
V
V
R
R
MN
C
M
V
N
NCMCCC
C
C
C
N
b
a
MC
M
C
MCG/V
G/V
G/V
G/V
G/V
G/V
G/V
G/V
G/V
1
15
G/V
G/V
G/V
Y
P
M
N
P
Y
FUSIBILI
L
N
FUSIBILI
M
C
G/V
G/V
G/V
MN
N
M
10
9
8
7
6
5
4
3
2
1
B
N
V
R
N
N
12
VV
V
V
M
C
N
V
V
M2
21

Table of Contents

Related product manuals