EasyManua.ls Logo

Christie CC2 - Circuit Diagram

Christie CC2
40 pages
Print Icon
To Next Page IconTo Next Page
To Next Page IconTo Next Page
To Previous Page IconTo Previous Page
To Previous Page IconTo Previous Page
Loading...
Installation Manual 6838_05
9
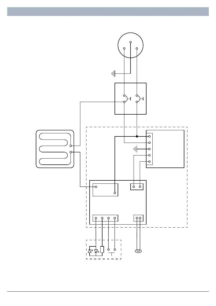
POWER SUPPLY
LRS-35-12
240VAC
POWER INLET
A
N
GND
BROWN
BLUE
YELLOW GREEN
OVER TEMP
THERMOSTAT
L N GND -V +V
BBQ
CONTROLLER
+V
-V
BROWN
WHITE
YELLOW
GREEN
ON / OFF SWITCH
PUSH BUTTON
12VDC 200mA
BROWN
BLACK
BLACK
BLACK
RED
BLACK
BROWN
GRAYBLACK
HEAT SENSOR
GREEN LED
12VDC 20mA
RED LED
12VDC 20mA
HEATING ELEMENT
CONTROLLER
ENCLOSURE
RELAY
General information |
1.7.1 CIRCUIT DIAGRAM