EasyManua.ls Logo

CHUNLAN FRD50-B - Page 55

Default Icon
115 pages
Print Icon
To Next Page IconTo Next Page
To Next Page IconTo Next Page
To Previous Page IconTo Previous Page
To Previous Page IconTo Previous Page
Loading...
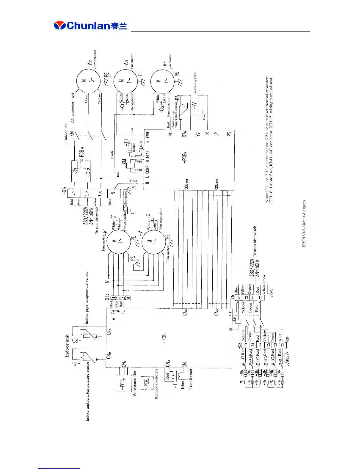
Circuit diagrams
- 53 -

Table of Contents

Related product manuals