EasyManua.ls Logo

Clevo W370SS - W355 SSQ VGA; WLAN SW Board

Clevo W370SS
112 pages
Print Icon
To Next Page IconTo Next Page
To Next Page IconTo Next Page
To Previous Page IconTo Previous Page
To Previous Page IconTo Previous Page
Loading...
Schematic Diagrams
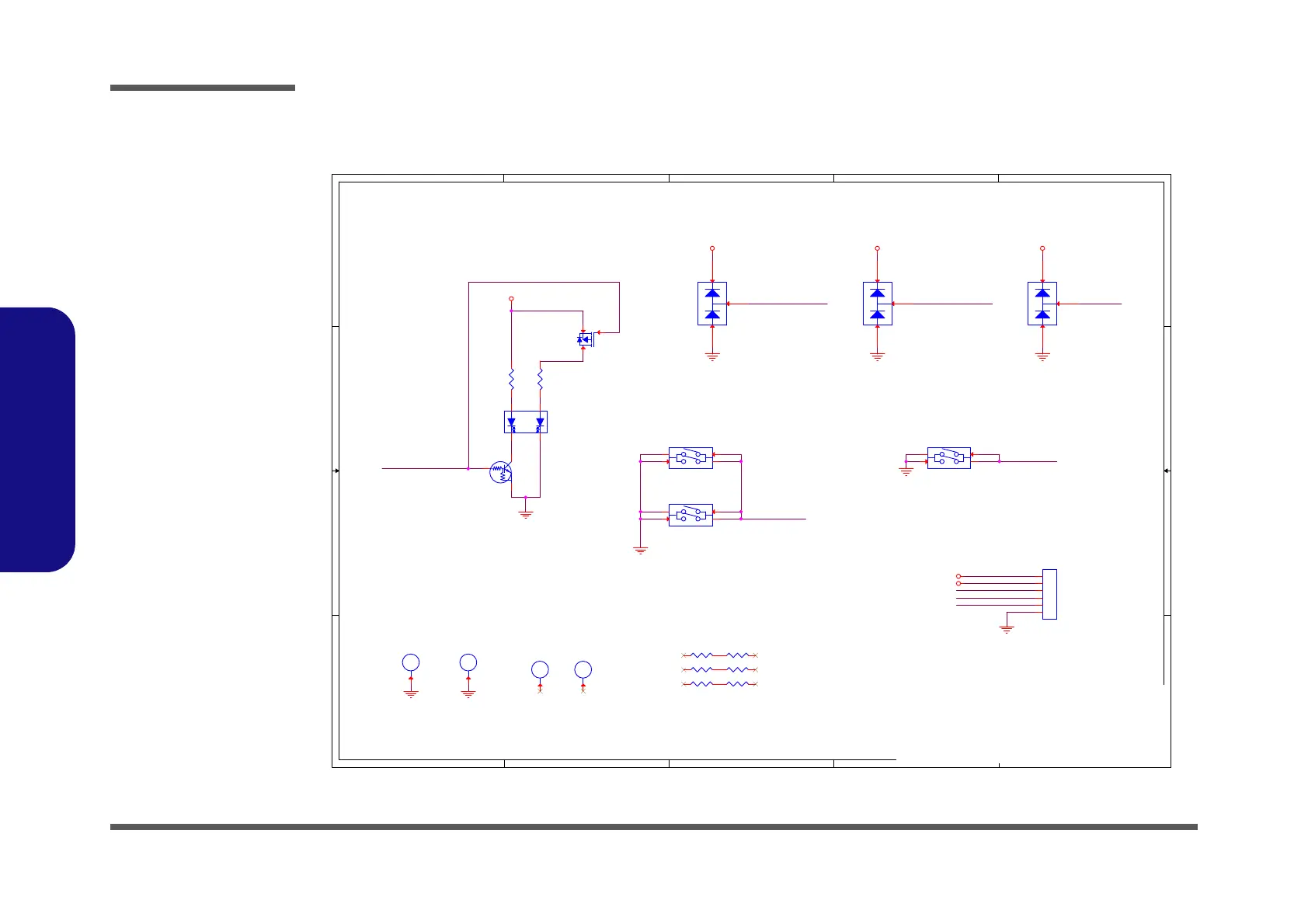
B - 58 W355SSQ VGA / WLAN SW Board
B.Schematic Diagrams
W355SSQ VGA / WLAN SW Board
Sheet 57 of 58
W355SSQ VGA /
WLAN SW Board
5
5
4
4
3
3
2
2
1
1
D D
C C
B B
A A
VGA SWITCH & LED
RED
Yellow/Green
WWW
PIN5,6=S5GND
W355SSQ VGA & WWW SW BOARD
PIN5,6=S5GND
PIN5,6=S5GND
S5_VGA_SW#
S5_OPTIMUS_MODE
S5WEB#0
S5WEB#0
S5_VGA_SW#
S5_OPTIMUS_MODE
S5WEB#0
S5_OPTIMUS_MODES5_VGA_SW#
S5_3.3VS
S5GND
S5_VDD3
S5GND
S5GND
S5GND
S5GND
S5_3.3VS
S5_VDD3
S5GNDS5GND
S5GNDS5GND
S5_VDD3S5_VDD3
Title
Size Document Number Rev
Date: Sheet
of
6-71-W355S-D12
1.0
[57] W355SSQ VGA/WLAN SW BOARD
A4
57 58Friday, January 10, 2014
ᙔ!Ϻ!ႝ!တ!!DMFWP!DP/
Title
Size Document Number Rev
Date: Sheet
of
6-71-W355S-D12
1.0
[57] W355SSQ VGA/WLAN SW BOARD
A4
57 58Friday, January 10, 2014
ᙔ!Ϻ!ႝ!တ!!DMFWP!DP/
Title
Size Document Number Rev
Date: Sheet
of
6-71-W355S-D12
1.0
[57] W355SSQ VGA/WLAN SW BOARD
A4
57 58Friday, January 10, 2014
ᙔ!Ϻ!ႝ!တ!!DMFWP!DP/
S5R1
*470_04
3SSR *0_04
5SSR *0_04
S5Q1
*QM3009K
G
D S
S5D2
*BAV99
C
AC
A
S5H1
H5_5B8_6D5_5
S5_SWVGA1
SFNQRMP2125T
3
14
2
5
S5D3
*BAV99
C
AC
A
S5R2
*470_04
S5H2
C87D87N
S5Q2
*DTC114EUA
CE
B
6SSR *0_04
2SSR *0_04
S5H4
C87D87N
1SSR *0_04
S5_SWVGA2
SFNQRMP2125T
3
14
2
5
4SSR *0_04
S5D1
*BAV99
C
AC
A
S5H3
H5_5B8_6D5_5
R
G
S5L1
*RY-SP195UHYUYG4
1
3
2
4
S5_JVGASW1
85201-06051
1
2
3
4
5
6
S5_WLANSW1
SFNQRMP2125T
3
14
2
5

Table of Contents