EasyManua.ls Logo

Clint MultiPower CHA/K 21012-P - Schéma du Circuit Frigorifique

Clint MultiPower CHA/K 21012-P
36 pages
Print Icon
To Next Page IconTo Next Page
To Next Page IconTo Next Page
To Previous Page IconTo Previous Page
To Previous Page IconTo Previous Page
Loading...
21
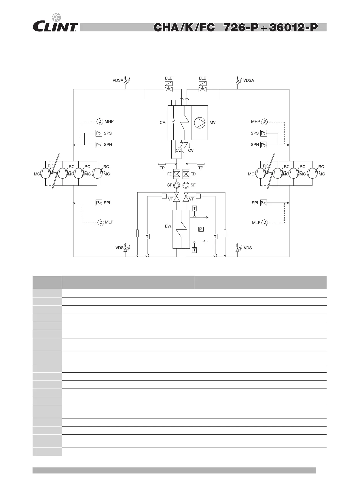
BEZEICHNUNG DESCRIPTION
CA
Luftgek. Verflüssiger
Condenseur
CV Ruckschlagventile
Soupape de retenue
ELB Wärmetauscher Elektroventil
Électrovanne condenseur
EW Verdampfer
Voyant liquide
FD Filtertrockner
Filtre deshydrateur
MC Verdichter
Compresseur
MHP
Hochdruckmanometer
(Zubeör)
Manomètre de haute pression
(accessoire)
MLP
Niederdruckmanometer
(Zubeör)
Manomètre de basse pression
(accessoire)
MV Axiallüftern
Ventilateurs axiaux
RC Öflsumpfheizung
Résistence carter
SF Schauglas
Indicateur de liquide
SPH Hochdruckwächter
Pressostat de haute pression
SPL Unterdruckwächter
Pressostat de basse pression
SPS
Sicherheitsdruckschalter
(1048-P÷36012-P)
Safety pressure gauges
(1048-P÷36012-P)
TP Druckgeber
Transducteur de press
VDS
Sicherheitsventil
Vanne securité
VDSA
Sicherheitsventil
1048-P÷36012-P
Vanne securité
1048-P÷36012-P
VT
Expansionsventil
Détendeur
KÄLTEKREISLAUFSCHEMA SCHEMA DU CIRCUIT FRIGORIFIQUE

Table of Contents

Related product manuals