EasyManua.ls Logo

CLIVET MC2-Y 105T - Schemi Elettrici Unità Esterna (140 T - 160 T)

CLIVET MC2-Y 105T
144 pages
Go to English
To Next Page IconTo Next Page
To Next Page IconTo Next Page
To Previous Page IconTo Previous Page
To Previous Page IconTo Previous Page
Loading...
46
Allegati
PMOC
2mF
ROTOM CD
DRAOB REVIRD
U
V
W
Cn4
Cn3
L2
U
V
W
G/Y
Y/G
D
7nC
SV
1mF
L-PRO
T3
T4
CODE
PART NAME
COMPRESSOR
D
HEAT_Y,HEAT_D
CT1
AC CURRENT DETECTOR
4-WAY VALVE
COMP
CAP1,CAP2
EEV
ELECTRIC EXPANSIVE
VALVE
OUTDOOR AC FAN
FAN1,FAN2
H-PRO
L-PRO
LOW PRESSURE SWITCH
HIGH PRESSURE SWITCH
3T
4T
CONDENSER
TEMPERATURE SENSOR
OUTDOOR AMBIENT
TEMPERATURE SENSOR
CRANKCASE HEATING
DIODE MODULE
H-PRO
SV
L
INDUCTOR
Y/G
Y/G
1
2
3
4
5
Cn4
TH
1P
RED
81nC
2
3
TP
HT
HEATSINK
TEMPERATURE SENSOR
PT
EXHAUST
TEMPERATURE SENSOR
RED
L1
3eP
Cn21 Cn20
Cn23
52nC42nC81nC91nC
Cn26
Cn1 Cn27
Cn29
Cn34
Cn30
PE
Cn31
Cn15
Cn8 Cn9
Cn38
EEV
FAN1
Y/G
~
FAN2
Y/G
~
RED
BLACK
RED
BLACK
BLUE
BLACK
WHITE
WHITE
BLUE
HEAT_Y
OPTIOnal
MAIN BOARD
RED
BLACK
BLack
RED
Cn5
L3
Cn6
N
Pe1
Pe2
Cn2
Cn3
N1
XT1
Cn12
Cn13
Cn14
L3
L2
L1
5
Y/G
GREEN
WHITE
Y/G
Y/G
WHITE
/BLACK
BLUE
BLUE
BLUE
RED
BLACK
RED
HEAT_D
BLACK
RED
WHITE
GREEN
RED
RED
FM1,FM2
OUTDOOR DC FAN
16022000026589
FAN MOTOR CAPACITOR
Ct1
CAP1
CAP2
RED
RED
BLUE
WHITE/BLACK
RED
RED
RED
RED
RED
TO INDOOR COMM. BUS
XT2
S1
S2
ETON
eroc-2 esu esaelP
.eriw dedleihs
Y/G
POWER SUPPLY
1TX
L3
L2L1 N
(
(
1
(
(
2
Y/G
TO INDOOR UNIT
OPTIONAL
L
DRAOB RETLIF & REWOP
CoN1
FAN1
Cn1
FAN2
3
BLUE
RED
RED
WHITE/BLACK
RED
BLUE
WHITE/BLACK
BLUE
WHITE/BLACK
RED
RED
RED
BLACK
BLACK
BLack
RED
~
~
~
OPTIONAL
OPTIOnal
Cn10
9 N
C
4/5
L
L
L
2
3
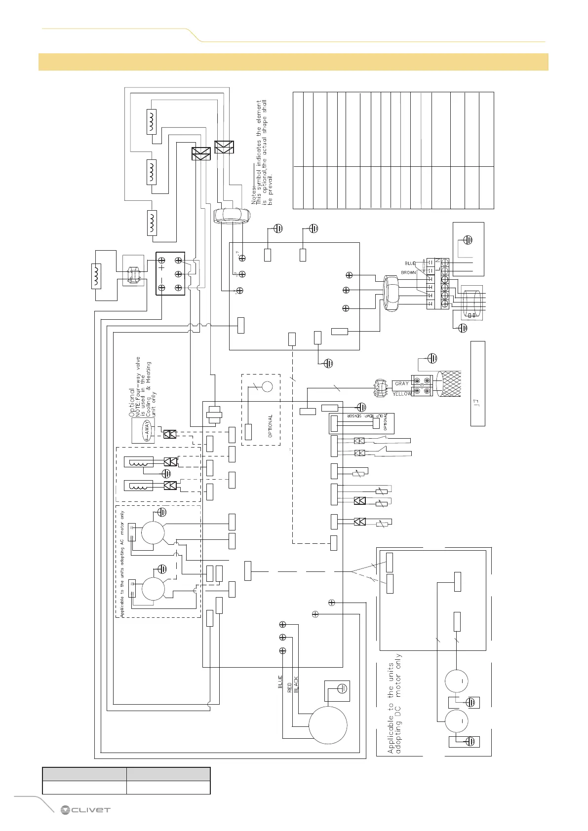
8.8 Schemi elettrici unità esterna (140T - 160T)
SERIE GRANDEZZA
MC2-Y 140T - 160T

Table of Contents

Other manuals for CLIVET MC2-Y 105T

Related product manuals