EasyManua.ls Logo

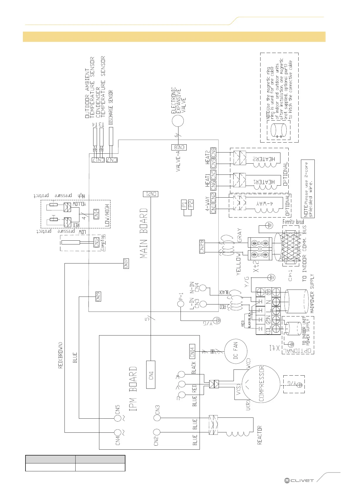
CLIVET MC2-Y Series - 8.3 Outdoor unit wiring diagrams (70 M)

CLIVET MC2-Y Series
144 pages
Go to English
To Next Page IconTo Next Page
To Next Page IconTo Next Page
To Previous Page IconTo Previous Page
To Previous Page IconTo Previous Page
Loading...
41
Allegati
8.3 Schemi elettrici unità esterna (70M)
SERIE GRANDEZZA
MC2-Y 70M

Table of Contents

Related product manuals