EasyManua.ls Logo

Cofem COMPACT LYON - Page 29

Cofem COMPACT LYON
60 pages
Print Icon
To Next Page IconTo Next Page
To Next Page IconTo Next Page
To Previous Page IconTo Previous Page
To Previous Page IconTo Previous Page
Loading...
Digital fire detection control panel
COMPACT LYON
FIRE PRETECTION MANUFACTURER 29
Ctra. de Molins de Rei a Rubí, Km. 8,4 - 08191 RUBÍ (Barcelona) ESPAÑA.
Tlf.: +34 935 862 690 - Fax:+34 936 999 261 - cofem@cofem.com - www.cofem.com
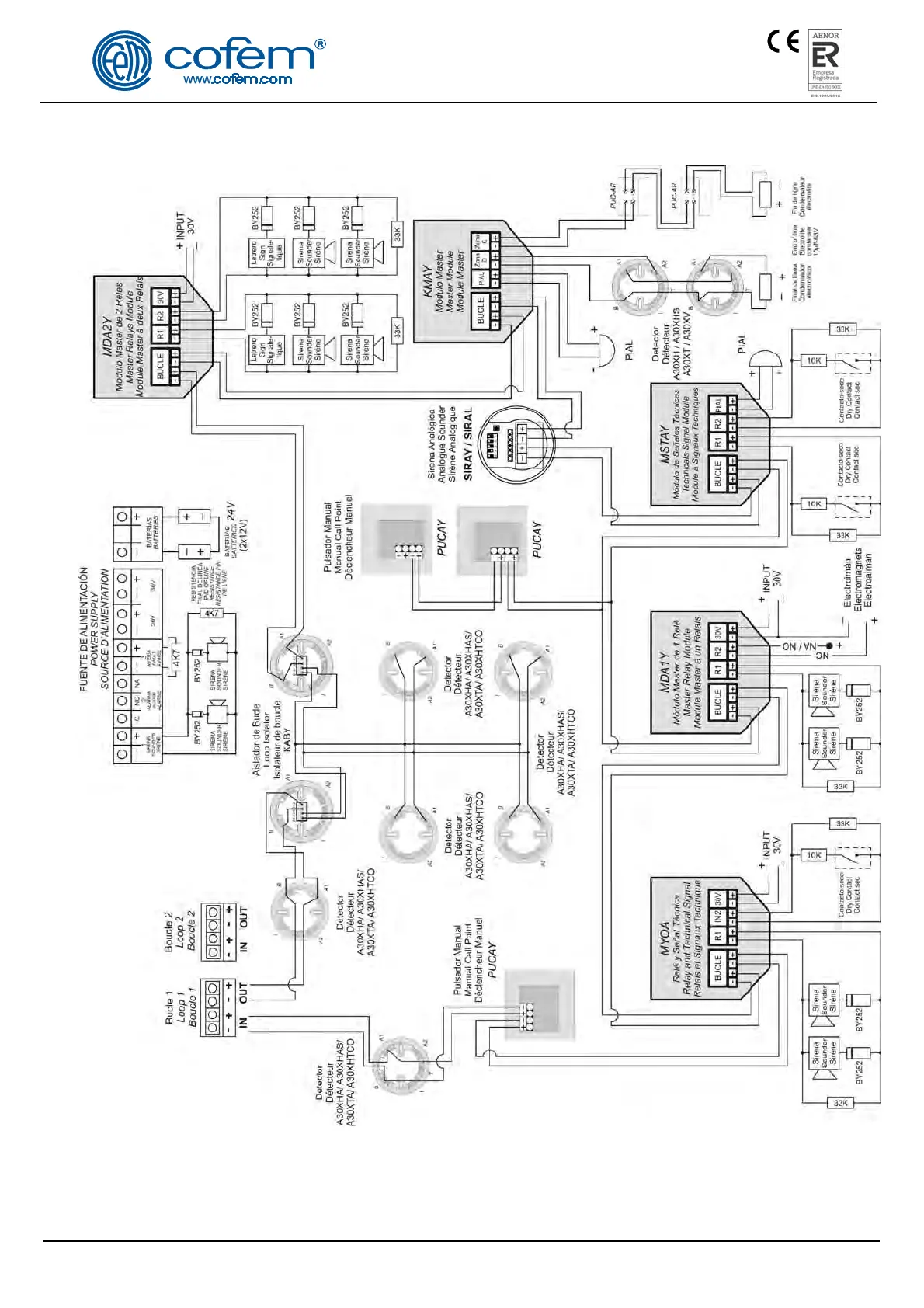
Figure 19. General Wiring Diagram

Related product manuals