EasyManua.ls Logo

Collamat 6600 - Page 18

Collamat 6600
33 pages
Print Icon
To Next Page IconTo Next Page
To Next Page IconTo Next Page
To Previous Page IconTo Previous Page
To Previous Page IconTo Previous Page
Loading...
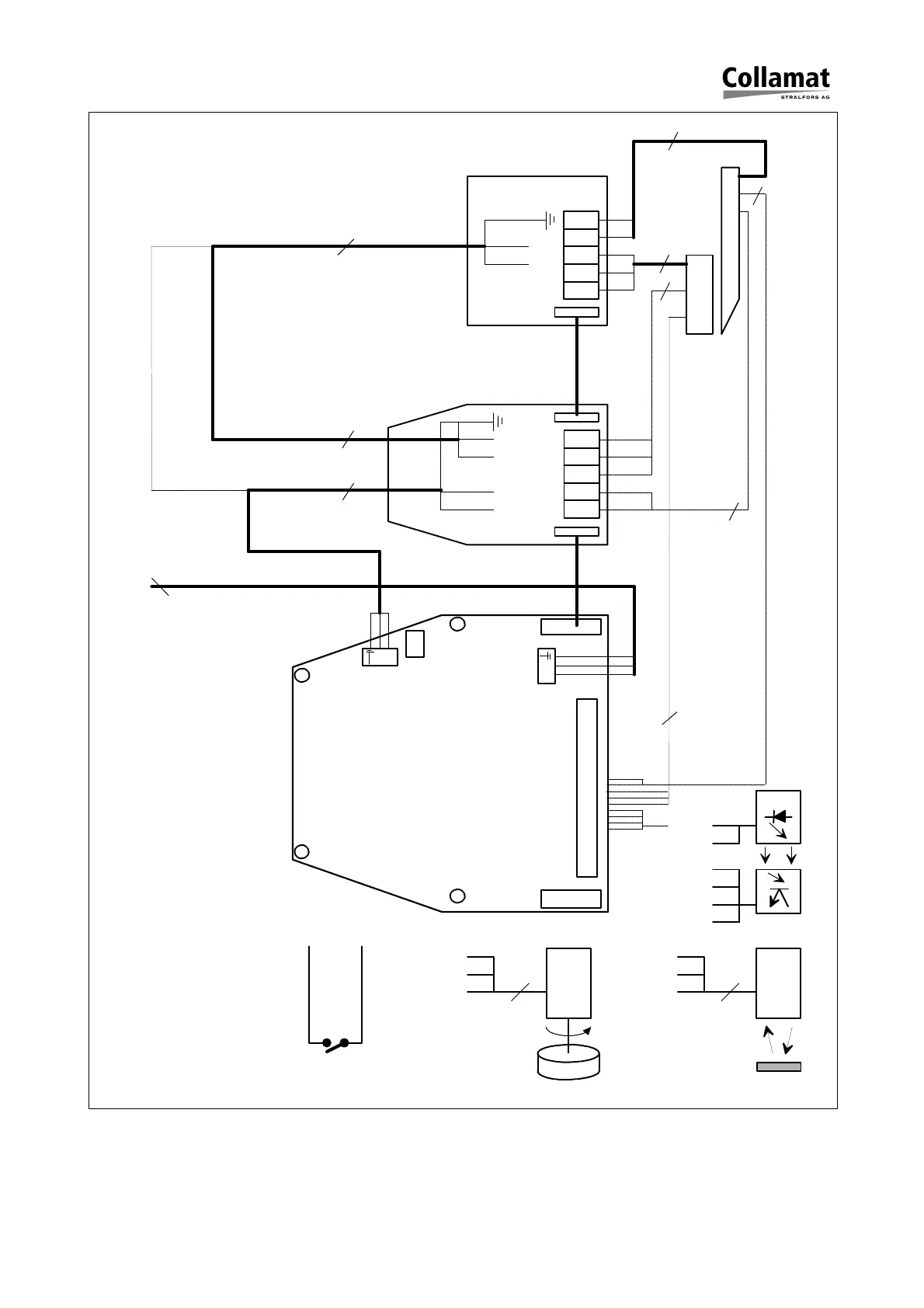
Figure 14: Connection diagram
X101
X102
NETZTEIL
110/230V
50/60Hz
4/5
1
6
1
6
P2P1
3
3
NETZTEIL des
Flachdruckwerkes
110/230V
1 6
4/5
3
2
P8
P7
P6
P5
P4
P1/P2
1
9
5
95
OPTISCHER LABEL SCANNER
3
3
2
2
3
FLACHDRUCKWERK
KLAPPEN-
ADAPTER
151945
GND
+12V
GND
GSC1
+12V
3
GND
+12V
GSC1
Reflex scanner
G&S IR Goods scanner
P5
P4
P2
P3
P1
3
GND
+12V
GSC2
NPN NPN
Inkrementalgeber
3
1
6
4/5
4/5
1
6
N
L
N
L
VORZUGWERK
GSC1
GND
Elektro-mechanischer
Auslöser
5999.527-01A 25.11.98 WM Seite 17 / 32

Other manuals for Collamat 6600

Related product manuals