EasyManua.ls Logo

Comelit 4893M - Entrance Panel Role Configuration: Main;Secondary; Programming Main or Secondary Entrance Panels

Comelit 4893M
48 pages
Print Icon
To Next Page IconTo Next Page
To Next Page IconTo Next Page
To Previous Page IconTo Previous Page
To Previous Page IconTo Previous Page
Loading...
44
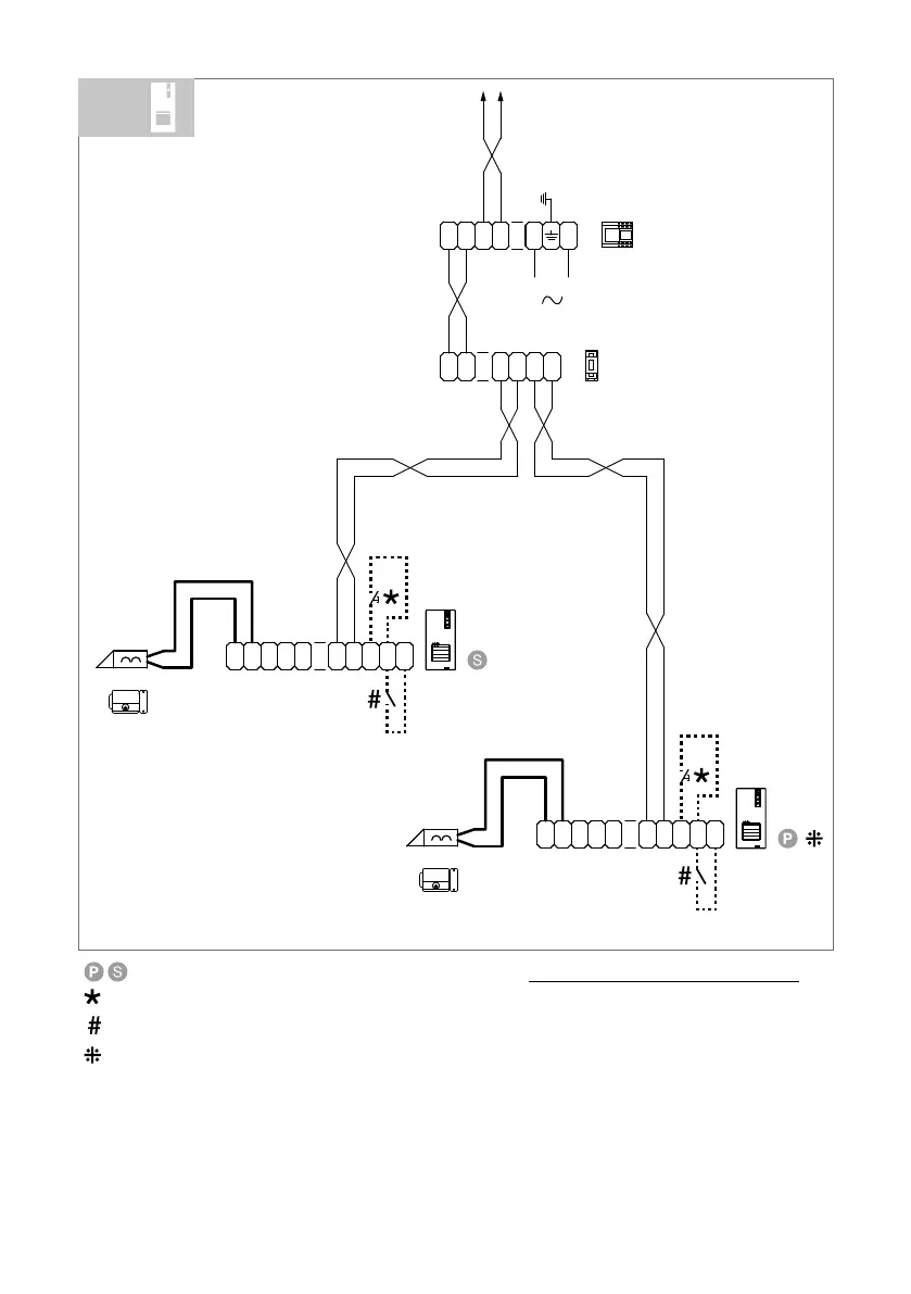
VIDEO ENTRY
SYSTEM RISER
1209
1405
L
M
L
M
L
S
L
S
L
P
L
P
L1 L1 L2 L2
L
N
110-240V
Kit
4893M
12 VAC/VDC
18 Ω MAX
LL
O
D
E
T
R
NO
SE
-
SE
+
NC C
M
O
C
4893M
12 VAC/VDC
18 Ω MAX
LL
O
D
E
T
R
NO
SE
-
SE
+
NC C
M
O
C
2
To program the entrance panel as Main or Secondary, refer to Programming an additional entrance panel.
Max 20 m. Local door-opener button.
N.C. contact for door open indication.
Door open indication not available.
| Table of contents |

Related product manuals