EasyManua.ls Logo

Commodore CDTV - Page 13

Commodore CDTV
23 pages
Print Icon
To Next Page IconTo Next Page
To Next Page IconTo Next Page
To Previous Page IconTo Previous Page
To Previous Page IconTo Previous Page
Loading...
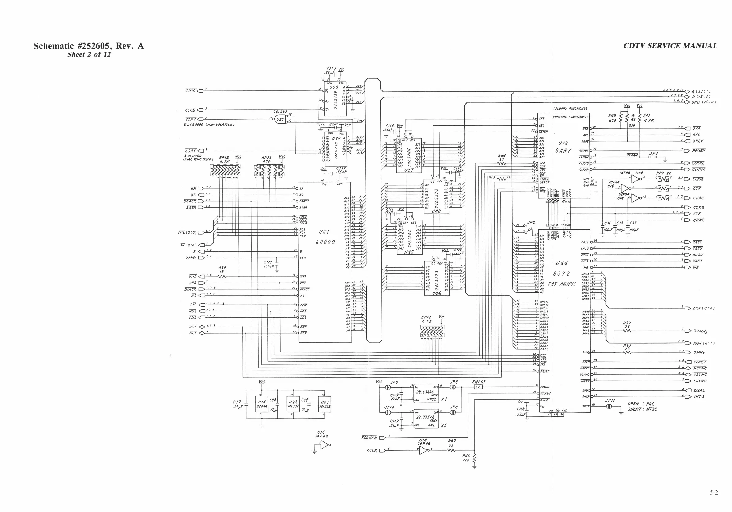
Schematic #252605, Rev. A
Sheet 2 of 12
CDTV SERVICE MANUAL
d / 7 vcc
C M C O
J.4.7 9 9 70
O A [23: n
£ C/J : 0)
1 r/5. ^3
(2:0J
C $ 0 J
A X
0/4
74FH
cod
0 2 2
74L33Z
C89
22aF
023
741308
7
7
J
k-r------------------------
Q#/
..
......
1 * --V
S .is
07f
S 1 ,
Q«y<y
3 r
/a
L
rUl
______________________
________________________
t r
j p t f
2_ rtTSC
I /*7/?£ /
HSYMC
VJ/Wc
c srz/c
!
F7FT
0/4
74F04
XUK O
5-2

Related product manuals